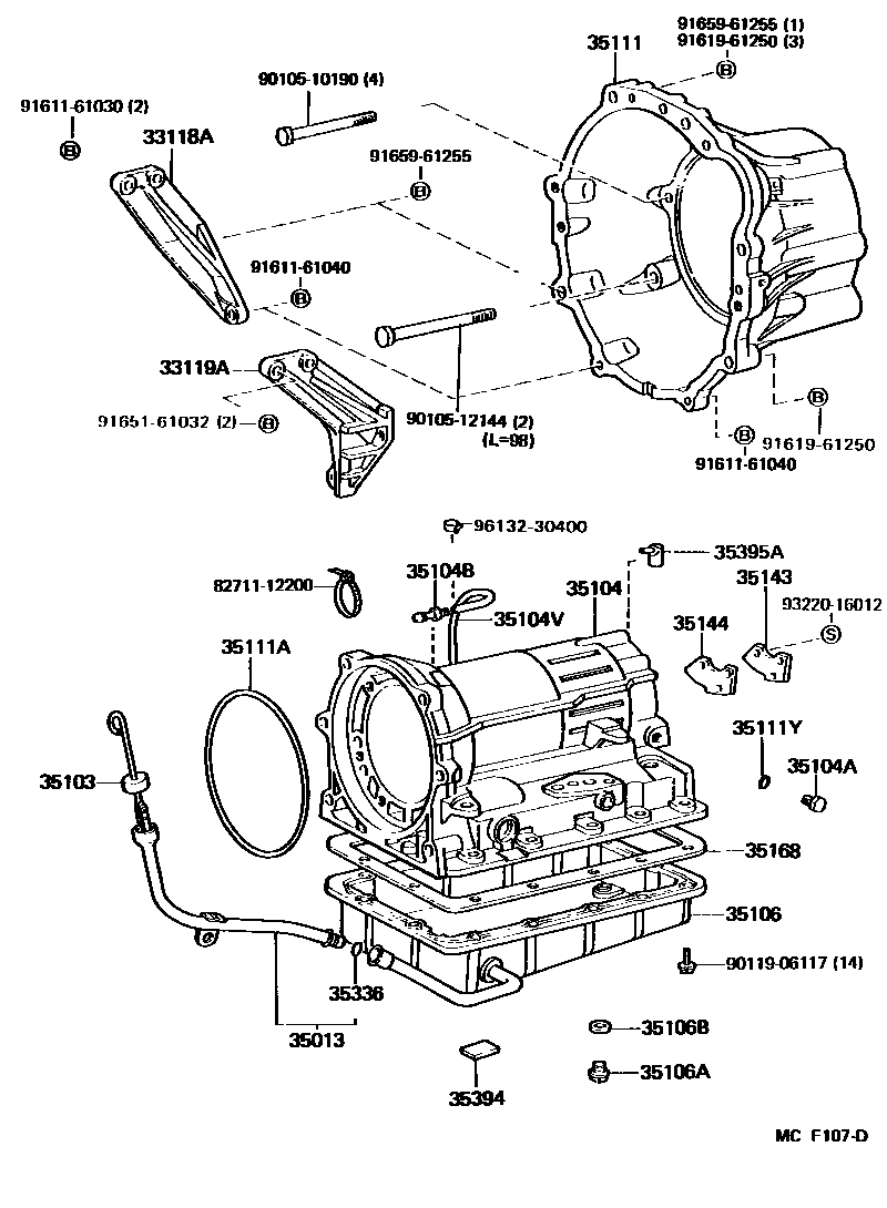
TRANSMISSION CASE & OIL PAN (ATM)

33118APLATE, STIFFENER, RH(ATM)
33119APLATE, STIFFENER, LH(ATM)
35013TUBE SUB-ASSY, TRANSMISSION OIL FILLER
35103GAGE SUB-ASSY, TRANSMISSION OIL LEVEL
35104CASE SUB-ASSY, AUTOMATIC TRANSMISSION
35104APLUG, AUTOMATIC TRANSMISSION CASE
35104BPLUG, BREATHER, NO.1 (ATM)
T/M CASE SIDE
THROTTLE CABLE SIDE
35106PAN SUB-ASSY, AUTOMATIC TRANSMISSION OIL
35106APLUG SUB-ASSY, DRAIN (ATM)
sub90341-10011
35106BGASKET, DRAIN PLUG (ATM)
35111HOUSING, AUTOMATIC TRANSMISSION
sub35111-26030
35111ARING, O (FOR AUTOMATIC TRANSMISSION HOUSING)
35111YRING, O (FOR AUTOMATIC TRANSMISSION CASE)
35143COVER, TRANSMISSION CASE, REAR
35144GASKET, TRANSMISSION CASE REAR COVER
35168GASKET, AUTOMATIC TRANSMISSION OIL PAN
35336RING, O (FOR TRANSMISSION OIL FILLER TUBE)
35394MAGNET, OIL CLEANER (FOR TRANSMISSION)
35395ASTRAINER, GOVERNOR OIL
8271112200WIRE, FUSE TO FUSE(FOR COMBUSTION HEATER)
main82711-12200
9010510190
main90105-10190
9010512144
main90105-12144
9011906117
main90119-06117
9161161030
main91611-61030
9161161040
main91611-61040
9161961250
main91619-61250
9165161032
main91651-61032
9165961255
main91659-61255
9322016012
main93220-16012
9613230400
main96132-30400
31 parts on this diagram · 1 diagram in section