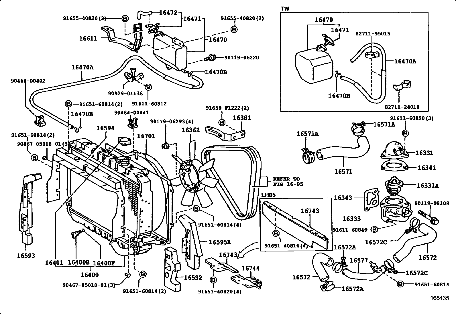
RADIATOR & WATER OUTLET

1605
16331OUTLET, WATER
16361FAN
16400BPLUG, RADIATOR DRAIN COCK
16400FPACKING(FOR RADIATOR DRAIN COCK)
16401CAP SUB-ASSY, RADIATOR
sub16401-54750
16470TANK ASSY, RADIATOR RESERVE
16470AHOSE OR PIPE(FOR RADIATOR RESERVE TANK)
16470BCLAMP OR CLIP(FOR RADIATOR RESERVE TANK HOSE)
16471CAP SUB-ASSY, RESERVE TANK
16472HOSE, BREATHER
16571HOSE, RADIATOR, INLET
16571ACLAMP OR CLIP, HOSE(FOR RADIATOR INLET)
sub90467-37003
16572HOSE, RADIATOR, OUTLET
16572CCLAMP OR CLIP, HOSE(FOR RADIATOR OUTLET NO.2)
16577PIPE, RADIATOR, NO.7
16592GUIDE, RADIATOR AIR, NO.3
16593GUIDE, RADIATOR AIR, NO.1
16594GUIDE, RADIATOR AIR, NO.2
16595AGUIDE, RADIATOR AIR, NO.1 LH
16611BRACKET, RADIATOR RESERVE TANK
16701SHROUD SUB-ASSY, FAN
16743PROTECTOR, FAN SHROUD
16744PROTECTOR, FAN SHROUD, LH
8271124010WIRE, FUSE TO FUSE(FOR COMBUSTION HEATER)
main82711-24010
8271195015WIRE, FUSE TO FUSE(FOR COMBUSTION HEATER)
main82711-95015
9011906220
main90119-06220
9011908108
main90119-08108
9017906293
main90179-06293
9046400402
main90464-00402
9046400441
main90464-00441
904670501801
main90467-0501801
9092901136
main90929-01136
9161160812
main91611-60812
9161160820
main91611-60820
9161160840
main91611-60840
9165140816
main91651-40816
9165140820
main91651-40820
9165160814
main91651-60814
9165540820
main91655-40820
91659F1222
main91659-F1222
48 parts on this diagram · 4 diagrams in section