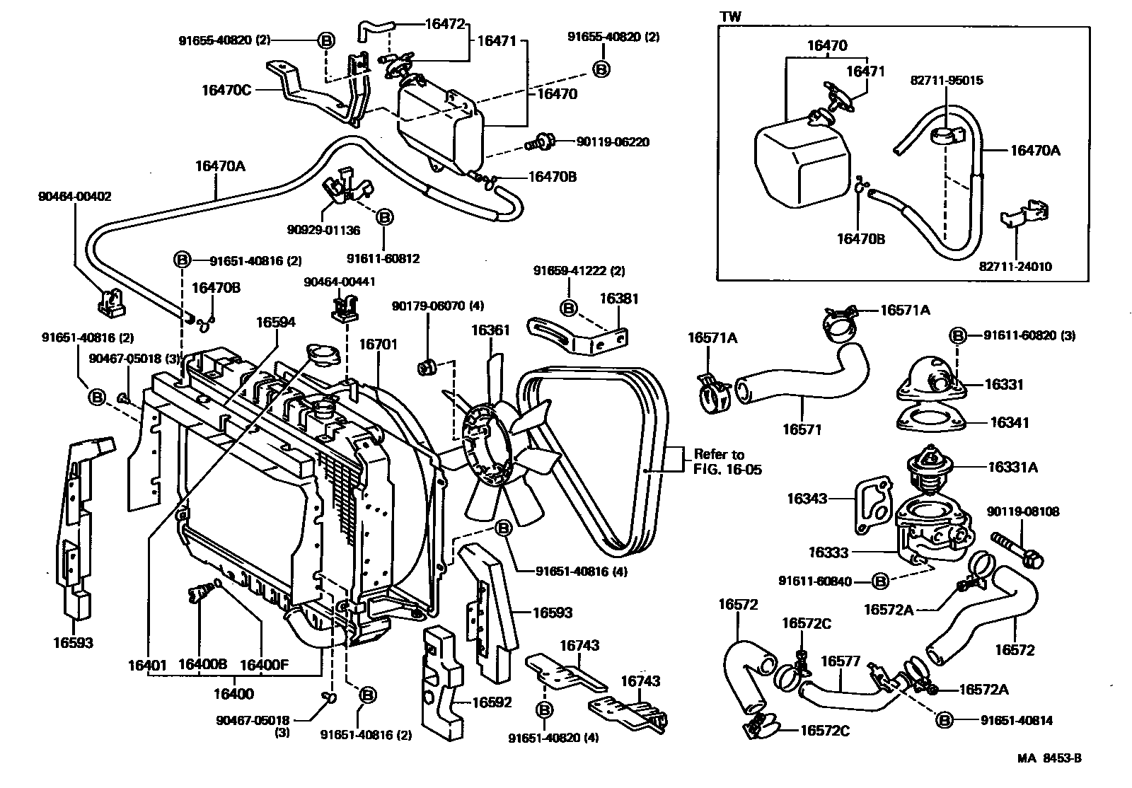
RADIATOR & WATER OUTLET

1605
16333HOUSING, WATER OUTLET
16343GASKET, WATER OUTLET HOUSING
sub16343-54021
16381BAR, FAN BELT ADJUSTING
16400BPLUG, RADIATOR DRAIN COCK
16400FPACKING(FOR RADIATOR DRAIN COCK)
16401CAP SUB-ASSY, RADIATOR
sub16401-54750
16470AHOSE OR PIPE(FOR RADIATOR RESERVE TANK)
16470BCLAMP OR CLIP(FOR RADIATOR RESERVE TANK HOSE)
16470CBRACKET(FOR RADIATOR RESERVE TANK)
16472HOSE, BREATHER
16571HOSE, RADIATOR, INLET
16571ACLAMP OR CLIP, HOSE(FOR RADIATOR INLET)
sub90467-37003
16572HOSE, RADIATOR, OUTLET
ENGINE SIDE
RADIATOR SIDE
16572CCLAMP OR CLIP, HOSE(FOR RADIATOR OUTLET NO.2)
RADIATOR SIDE
ENGINE SIDE
16577PIPE, RADIATOR, NO.7
16592GUIDE, RADIATOR AIR, NO.3
16593GUIDE, RADIATOR AIR, NO.1
RH
LH
16594GUIDE, RADIATOR AIR, NO.2
16701SHROUD SUB-ASSY, FAN
16743PROTECTOR, FAN SHROUD
RH
LH
8271124010WIRE, FUSE TO FUSE(FOR COMBUSTION HEATER)
main82711-24010
8271195015WIRE, FUSE TO FUSE(FOR COMBUSTION HEATER)
main82711-95015
9011906220
main90119-06220
9011908108
main90119-08108
9017906070
main90179-06070
9046400402
main90464-00402
9046400441
main90464-00441
9046705018
main90467-05018
9092901136
main90929-01136
9161160812
main91611-60812
9161160820
main91611-60820
9161160840
main91611-60840
9165140814
main91651-40814
9165140816
main91651-40816
9165140820
main91651-40820
9165540820
main91655-40820
9165941222
main91659-41222
46 parts on this diagram · 2 diagrams in section