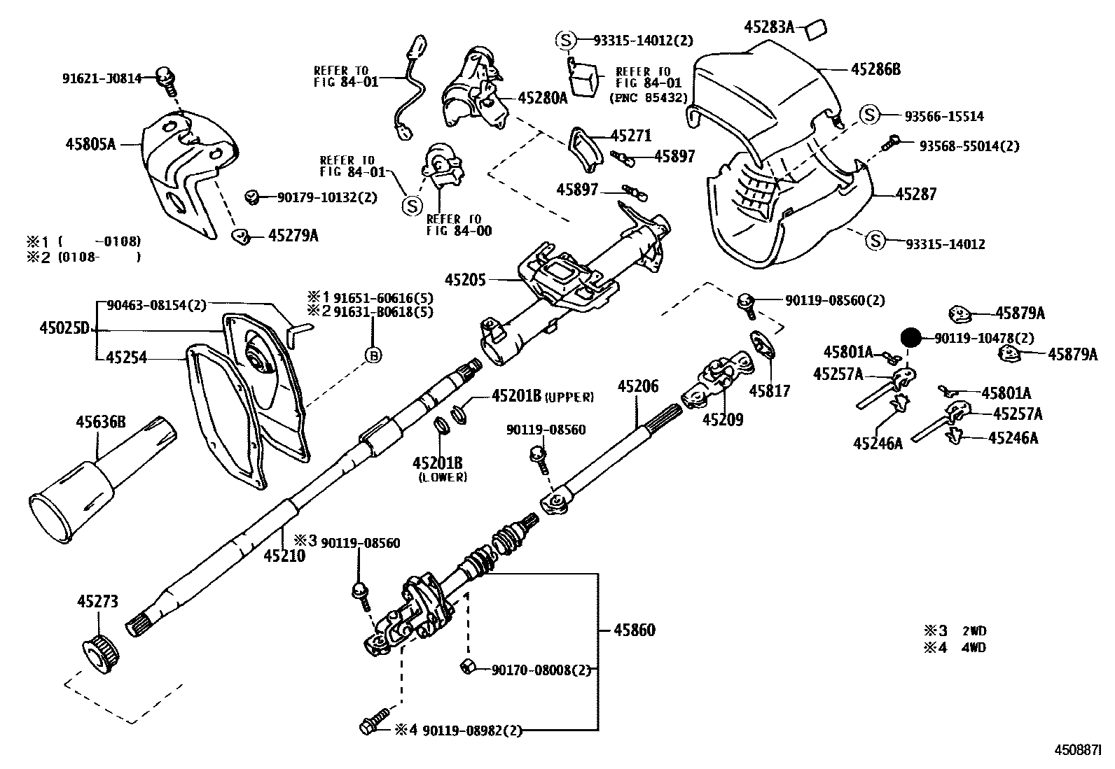
STEERING COLUMN & SHAFT

45025DCOVER SUB-ASSY, STEERING COLUMN HOLE, NO.1
45201BRING, SHAFT SNAP(FOR STEERING MAIN SHAFT)
45205TUBE SUB-ASSY, STEERING COLUMN
45206YOKE SUB-ASSY, STEERING SLIDING W/SHAFT
45209YOKE SUB-ASSY, STEERING SLIDING
45210SHAFT ASSY, STEERING MAIN
45246AGUIDE, STEERING ENERGY ABSORBING PLATE
45254SHIELD, STEERING COLUMN HOLE
45257APLATE, STEERING COLUMN ENERGY ABSORBING
45271CLAMP, STEERING COLUMN, UPPER
45273BUSH, STEERING MAIN SHAFT
45279AATTACHMENT, STEERING COLUMN TUBE, LWR
45283APLATE, BEAM CHANGE & TURN SIGNAL CAUTION
45286BCOVER, STEERING COLUMN, UPR
BLACK,TRIM1#
BLACK,TRIM1#
45287COVER, STEERING COLUMN, LWR
BLACK,TRIM1#
BLACK,TRIM1#
45636BPROTECTOR, INTERMEDIATE LINK JOINT
45801APIN SUB-ASSY, STEERING ENERGY ABSORBING
45805ASUPPORT SUB-ASSY, TILT STEERING
45817STOPPER, STEERING SHAFT THRUST
45879ACAPSULE, BREAK AWAY
45897BOLT, STEERING LOCK SET
8400
8401
9011908560
main90119-08560
9011908982
main90119-08982
9011910478
main90119-10478
9017008008
main90170-08008
9017910132
main90179-10132
9046308154
main90463-08154
91621J0814
main91621-J0814
91631B0618
main91631-B0618
9165160616
main91651-60616
9331514012
main93315-14012
9356615514
main93566-15514
9356855014
main93568-55014
37 parts on this diagram · 2 diagrams in section