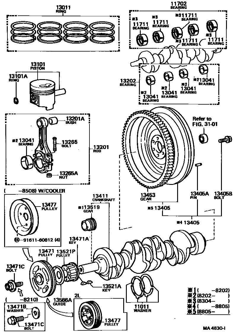
CRANKSHAFT & PISTON

11702BEARING SET, CRANKSHAFT
STD
STD
STD
U/S 0.05
U/S 0.05
U/S 0.25
U/S 0.25
U/S 0.25
sub11704-54080
U/S 0.50
U/S 0.50
U/S 0.50
sub11705-54080
11711BEARING, CRANKSHAFT
MARK"1",MARK 1
MARK"2",MARK 2
MARK"3",MARK 3
13011RING SET, PISTON
STD
STD
STD
STD
STD
O/S 0.50
O/S 0.50
O/S 0.50
O/S 0.50
O/S 0.50
O/S 0.50
O/S 0.75
O/S 1.00
O/S 1.00
13041BEARING, CONNECTING ROD
MARK"1",MARK 1
MARK"2",MARK 2
MARK"3",MARK 3
MARK"1",MARK 1
MARK"2",MARK 2
MARK"3",MARK 3
MARK"1",MARK 1
MARK"2",MARK 2
MARK"3",MARK 3
13101PISTON SUB-ASSY, W/PIN
STD
STD
STD
STD
STD
STD
STD
O/S 0.50
O/S 0.50
O/S 0.50
O/S 0.50
O/S 0.50
O/S 0.50
O/S 0.50
O/S 0.75
O/S 1.00
O/S 1.00
O/S 1.00
13101ARING, HOLE SNAP(FOR PISTON PIN)
13201ROD SUB-ASSY, CONNECTING
13201ABUSH(FOR CONNECTING ROD SMALL END)
13202BEARING SET, CONNECTING ROD
STD
STD
STD
U/S 0.05
U/S 0.05
U/S 0.05
U/S 0.25
U/S 0.25
U/S 0.25
U/S 0.25
U/S 0.50
U/S 0.50
U/S 0.50
U/S 0.50
13265ANUT, HEXAGON(FOR CONNECTING ROD BOLT)
13405FLYWHEEL SUB-ASSY
N=125
N=115
N=125
N=101
13405APIN, STRAIGHT(FOR FLYWHEEL)
13405BBOLT, FLYWHEEL SETTING
13411CRANKSHAFT
13453GEAR, FLYWHEEL RING
N=115
N=125
N=101
13471PULLEY, CRANKSHAFT
13477PULLEY, CRANKSHAFT, NO.2
W/COOLER
W/COOLER
W/COOLER
13519GEAR, OIL PUMP DRIVE
13521GEAR OR SPROCKET, CRANKSHAFT TIMING
N=25
N=25
N=18
13521PPULLEY, CRANKSHAFT TIMING
N=21
N=21
13566AGUIDE, TIMING BELT
3101
9161160812
main91611-60812
29 parts on this diagram · 3 diagrams in section