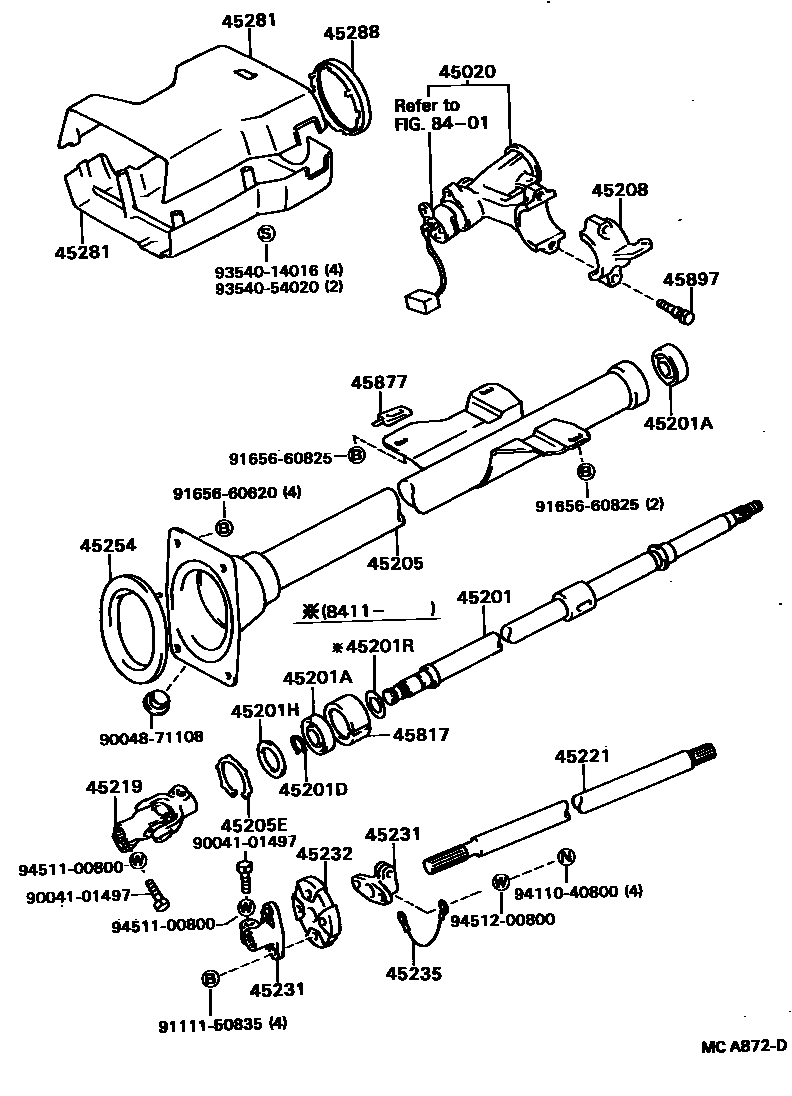
STEERING COLUMN & SHAFT

45201SHAFT SUB-ASSY, STEERING MAIN
45201ABEARING(FOR STEERING MAIN SHAFT)
LWR
45201DRING(FOR STEERING MAIN SHAFT)
45201HWASHER, PLATE(FOR STEERING MAIN SHAFT)
45201RSHIM(FOR STEERING MAIN SHAFT)
T=0.10
T=0.20
T=0.15
45205TUBE SUB-ASSY, STEERING COLUMN
45205ERING, SNAP(FOR STEERING COLUMN TUBE)
45208HOUSING SUB-ASSY, STEERING COLUMN, UPPER
45219YOKE, STEERING SLIDING
45221SHAFT, STEERING INTERMEDIATE
W/POWER STEERING
45231YOKE, MAIN SHAFT FLEXIBLE COUPLING
LWR
UPR
45232COUPLING, MAIN SHAFT FLEXIBLE
45235EARTH, FLEXIBLE COUPLING
45254SHIELD, STEERING COLUMN HOLE
45281HOUSING, STEERING COLUMN
UPR
LWR
45288PLATE, STEERING COLUMN COVER
45817STOPPER, STEERING SHAFT THRUST
45877WEDGE, CASTER(FOR STEERING COLUMN TUBE SETTING)
45897BOLT, STEERING LOCK SET
8401
9004101497
main90041-01497
9004871108
main90048-71108
9111150835
main91111-50835
9165660620
main91656-60620
9165660825
main91656-60825
9354014016
main93540-14016
9354054020
main93540-54020
9411040800
main94110-40800
9451100800
main94511-00800
9451200800
main94512-00800
31 parts on this diagram · 2 diagrams in section