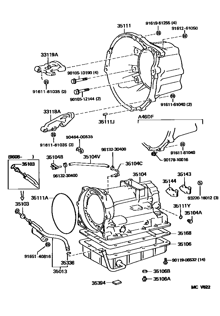
TRANSMISSION CASE & OIL PAN (ATM)

33118APLATE, STIFFENER, RH(ATM)
35013TUBE SUB-ASSY, TRANSMISSION OIL FILLER
35103GAGE SUB-ASSY, TRANSMISSION OIL LEVEL
35104APLUG, AUTOMATIC TRANSMISSION CASE
35104BPLUG, BREATHER, NO.1 (ATM)
35104CPLUG, BREATHER, NO.2 (ATM)
35106APLUG SUB-ASSY, DRAIN (ATM)
sub90341-10011
35106BGASKET, DRAIN PLUG (ATM)
35111ARING, O (FOR AUTOMATIC TRANSMISSION HOUSING)
35111JPIN, STRAIGHT (FOR AUTOMATIC TRANSMISSION CASE)
35111YRING, O (FOR AUTOMATIC TRANSMISSION CASE)
35143COVER, TRANSMISSION CASE, REAR
35144GASKET, TRANSMISSION CASE REAR COVER
35168GASKET, AUTOMATIC TRANSMISSION OIL PAN
35336RING, O (FOR TRANSMISSION OIL FILLER TUBE)
35394MAGNET, OIL CLEANER (FOR TRANSMISSION)
9010510190
main90105-10190
9010512144
main90105-12144
9011906532
main90119-06532
9017910016
main90179-10016
9046400535
main90464-00535
9161161035
main91611-61035
9161161040
main91611-61040
9161261050
main91612-61050
9161961255
main91619-61255
9165140816
main91651-40816
9322016012
main93220-16012
9613230400
main96132-30400
33 parts on this diagram · 3 diagrams in section