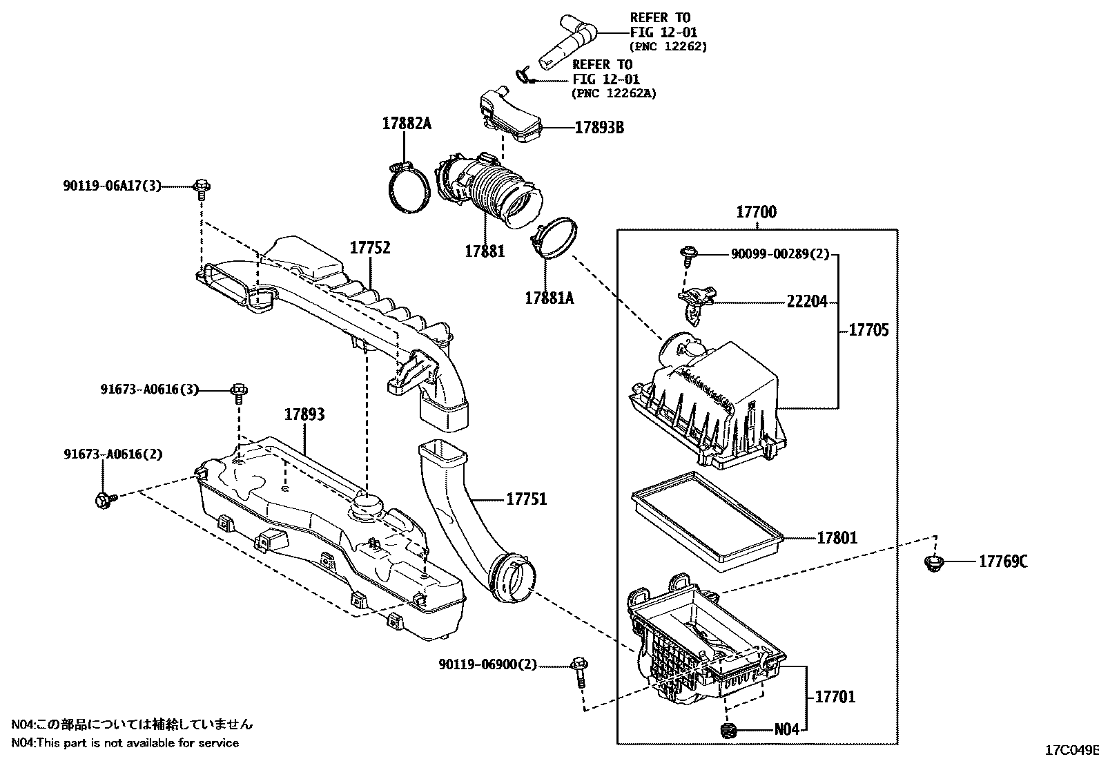
AIR CLEANER

1201
17700CLEANER ASSY, AIR
17701CASE SUB-ASSY, AIR CLEANER
main17701-V1020iM20AFKS..MZRA92..08S..X;M20AFKS..MZRA92..07S..(SG,X);M20AFKS..MZRA90,95,97..(SG,SZ,X)..CBU202201-202605
17705CAP SUB-ASSY, AIR CLEANER
17751INLET, AIR CLEANER, NO.1
main17751-V1020iM20AFKS..MZRA92..08S..X;M20AFKS..MZRA92..07S..(SG,X);M20AFKS..MZRA90,95,97..(SG,SZ,X)..CBU202201-202605
17752INLET, AIR CLEANER, NO.2
17769CSUPPORT, AIR CLEANER, NO.1
17801ELEMENT SUB-ASSY, AIR CLEANER FILTER
17881HOSE, AIR CLEANER, NO.1
17881ACLAMP(FOR AIR CLEANER HOSE, NO.1)
17882ACLAMP(FOR AIR CLEANER HOSE, NO.2)
17893RESONATOR, INTAKE AIR
17893BRESONATOR, INTAKE AIR, NO.2
main17893-24020iM20AFKS..MZRA92..08S..X;M20AFKS..MZRA92..07S..(SG,X);M20AFKS..MZRA90,95,97..(SG,SZ,X)..CBU202201-202605
22204METER SUB-ASSY, INTAKE AIR FLOW
9009900289
main90099-00289
9011906900
main90119-06900
9011906A17
main90119-06A17
91673A0616
main91673-A0616
18 parts on this diagram · 2 diagrams in section