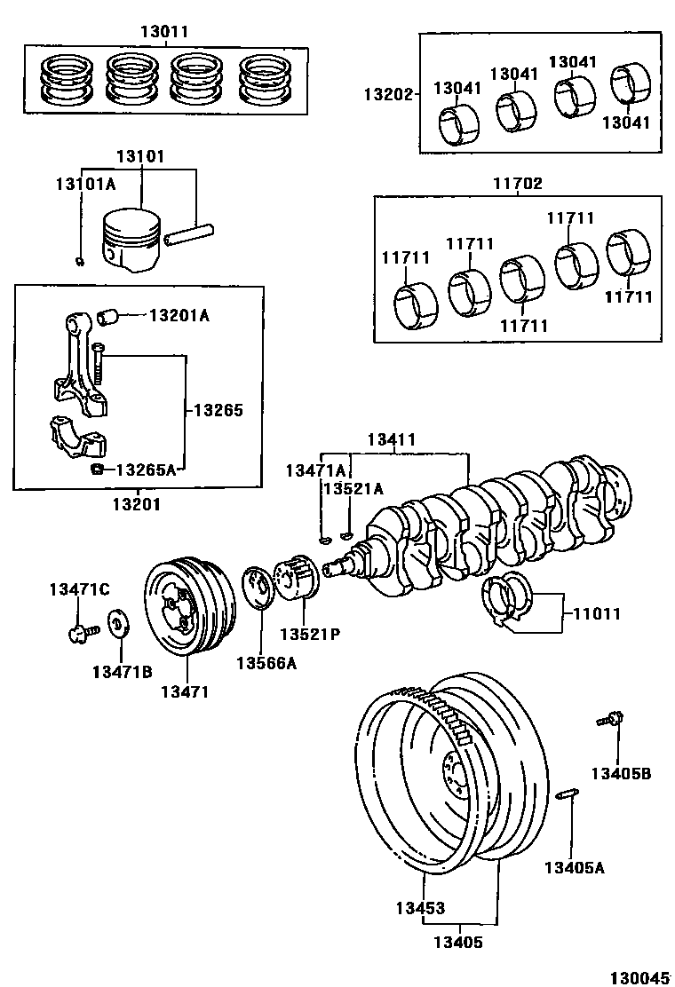
CRANKSHAFT & PISTON

11711BEARING, CRANKSHAFT
sub11071-63021
sub11071-63021
sub11071-63021
sub11071-63021
sub11071-63021
sub11701-27013
main11701-27012-02×5i3CE..CR52;3CE..CR42..03S,05S;3CE..CR42..06S..CBU;3CE..CR42..ATM..IV5200101-200407
sub11701-27013
sub11701-27013
sub11701-27013
sub11701-27013
sub11701-27013
sub11701-27013
sub11701-63022
sub11701-63022
sub11701-63022
sub11701-63022
sub11701-63022
13011RING SET, PISTON
13041BEARING, CONNECTING ROD
main13041-64072-01×4i3CE..CR52;3CE..CR42..03S,05S;3CE..CR42..06S..CBU;3CE..CR42..ATM..IV5199812-200407
sub13041-64073
sub13041-64073
sub13041-64073
main13041-64072-04×4i3CE..CR52;3CE..CR42..03S,05S;3CE..CR42..06S..CBU;3CE..CR42..ATM..IV5199812-200407
sub13041-64073
sub13041-64073
13101PISTON SUB-ASSY, W/PIN
13101ARING, HOLE SNAP(FOR PISTON PIN)
13201ABUSH(FOR CONNECTING ROD SMALL END)
13265ANUT, HEXAGON(FOR CONNECTING ROD BOLT)
13405FLYWHEEL SUB-ASSY
13405APIN, STRAIGHT(FOR FLYWHEEL)
13405BBOLT, FLYWHEEL SETTING
13453GEAR, FLYWHEEL RING
13471PULLEY, CRANKSHAFT
13471AKEY, CRANKSHAFT(FOR CRANKSHAFT PULLEY SET)
13471BWASHER, PLATE(FOR CRANKSHAFT PULLEY SET)
13471CBOLT(FOR CRANKSHAFT PULLEY SET)
13521GEAR OR SPROCKET, CRANKSHAFT TIMING
13521AKEY(FOR CRANKSHAFT TIMING GEAR)
13521PPULLEY, CRANKSHAFT TIMING
13566AGUIDE, TIMING BELT
25 parts on this diagram · 4 diagrams in section