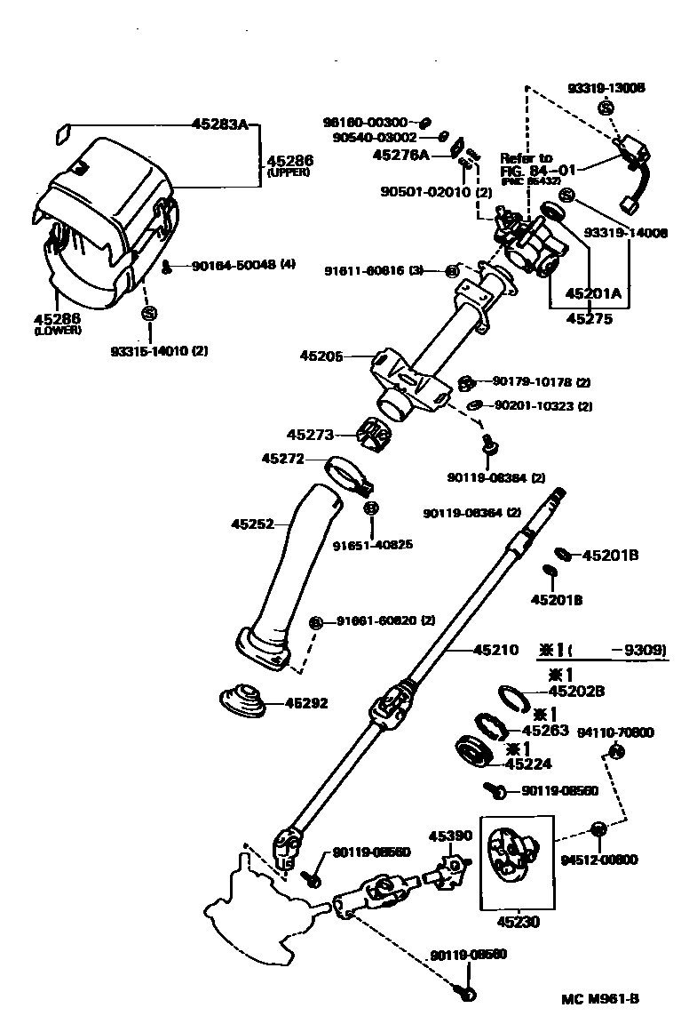
STEERING COLUMN & SHAFT

45201ABEARING(FOR STEERING MAIN SHAFT)
UPPER
LOWER
45201BRING, SHAFT SNAP(FOR STEERING MAIN SHAFT)
45202BRING, SHAFT SNAP(FOR STEERING INTERMEDIATE SHAFT)
45205TUBE SUB-ASSY, STEERING COLUMN
45224BLOCK, BEARING(FOR STEERING FLEXIBLE COUPLING)
45230COUPLING ASSY, FLEXIBLE
45252TUBE, STEERING COLUMN, LOWER
45263RING, STEERING COLUMN, NO.1
45272CLAMP, STEERING COLUMN, LOWER
45273BUSH, STEERING MAIN SHAFT
45276ASTOPPER, KEY INTERLOCK RELEASE BUTTON
45283APLATE, BEAM CHANGE & TURN SIGNAL CAUTION
45286COVER, STEERING COLUMN
sub45286-28260
UPPER,GREIGE,GREIGE,TRIM4#
sub45286-28260
UPPER,GRAY,GRAY,TRIM1#
sub45287-28300
LOWER,GREIGE,GREIGE,TRIM4#
sub45287-28300
LOWER,GRAY,GRAY,TRIM1#
45292SEAL, MAIN SHAFT LOWER DUST
45390SHAFT ASSY, STEERING TORQUE
8401
9011908364
main90119-08364
9011908560
main90119-08560
9016450048
main90164-50048
9017910178
main90179-10178
9020110323
main90201-10323
9050102010
main90501-02010
9054003002
main90540-03002
9161160616
main91611-60616
9165140825
main91651-40825
9166160820
main91661-60820
9331514010
main93315-14010
9331913008
main93319-13008
9331914008
main93319-14008
9411070800
main94110-70800
9451200800
main94512-00800
9616000300
main96160-00300
34 parts on this diagram · 4 diagrams in section