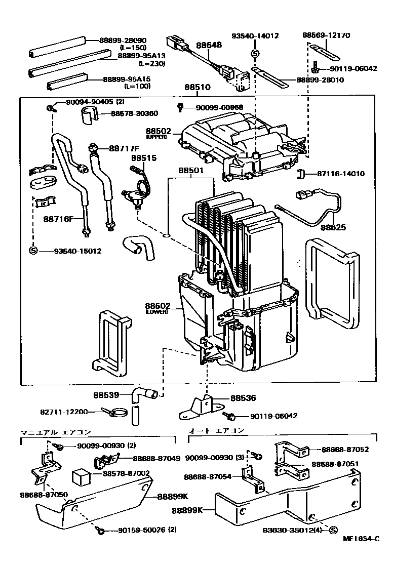
HEATING & AIR CONDITIONING - COOLER UNIT

88501EVAPORATOR SUB-ASSY, COOLER, NO.1
REAR
FRONT
COOL-BOX
88502CASE SUB-ASSY, COOLING UNIT
UPPER,FRONT
LOWER,FRONT
LOWER,REAR
UPPER,REAR
88510UNIT ASSY, COOLER
FRONT
88515VALVE, COOLER EXPANSION
REAR
FRONT
88536BRACKET, COOLING UNIT, NO.1
88539HOSE, COOLER UNIT DRAIN, NO.1
88648WIRING, COOLER, NO.1
88716FPIPE, COOLER REFRIGERANT LIQUID, F
88717FPIPE, COOLER REFRIGERANT SUCTION, F
88899KPLATE, COVER
GRAY,TRIM1#
SABLE,TRIM4#
8271112200WIRE, FUSE TO FUSE(FOR COMBUSTION HEATER)
main82711-12200
8711614010SPRING, HEATER CASE FASTENING
main87116-14010
8856912170CLAMP (FOR COOLER RELAY)
main88569-12170
8857830360PAKING, COOLER AIR DUCT
main88578-30360
8857887002PAKING, COOLER AIR DUCT
main88578-87002
8868887049BRACKET, COOLER DIAPHRAGM
main88688-87049
8868887050BRACKET, COOLER DIAPHRAGM
main88688-87050
8868887051BRACKET, COOLER DIAPHRAGM
main88688-87051
8868887052BRACKET, COOLER DIAPHRAGM
main88688-87052
8868887054BRACKET, COOLER DIAPHRAGM
main88688-87054
8889928010COVER, EVAPORATOR
main88899-28010
8889928090COVER, EVAPORATOR
main88899-28090
8889995A13COVER, EVAPORATOR
main88899-95A13
8889995A15COVER, EVAPORATOR
main88899-95A15
9009490405
main90094-90405
9009900930
main90099-00930
9009900968
main90099-00968
9011906042
main90119-06042
9015950026
main90159-50026
9354014012
main93540-14012
9354015012
main93540-15012
9363035012
main93630-35012
33 parts on this diagram · 8 diagrams in section