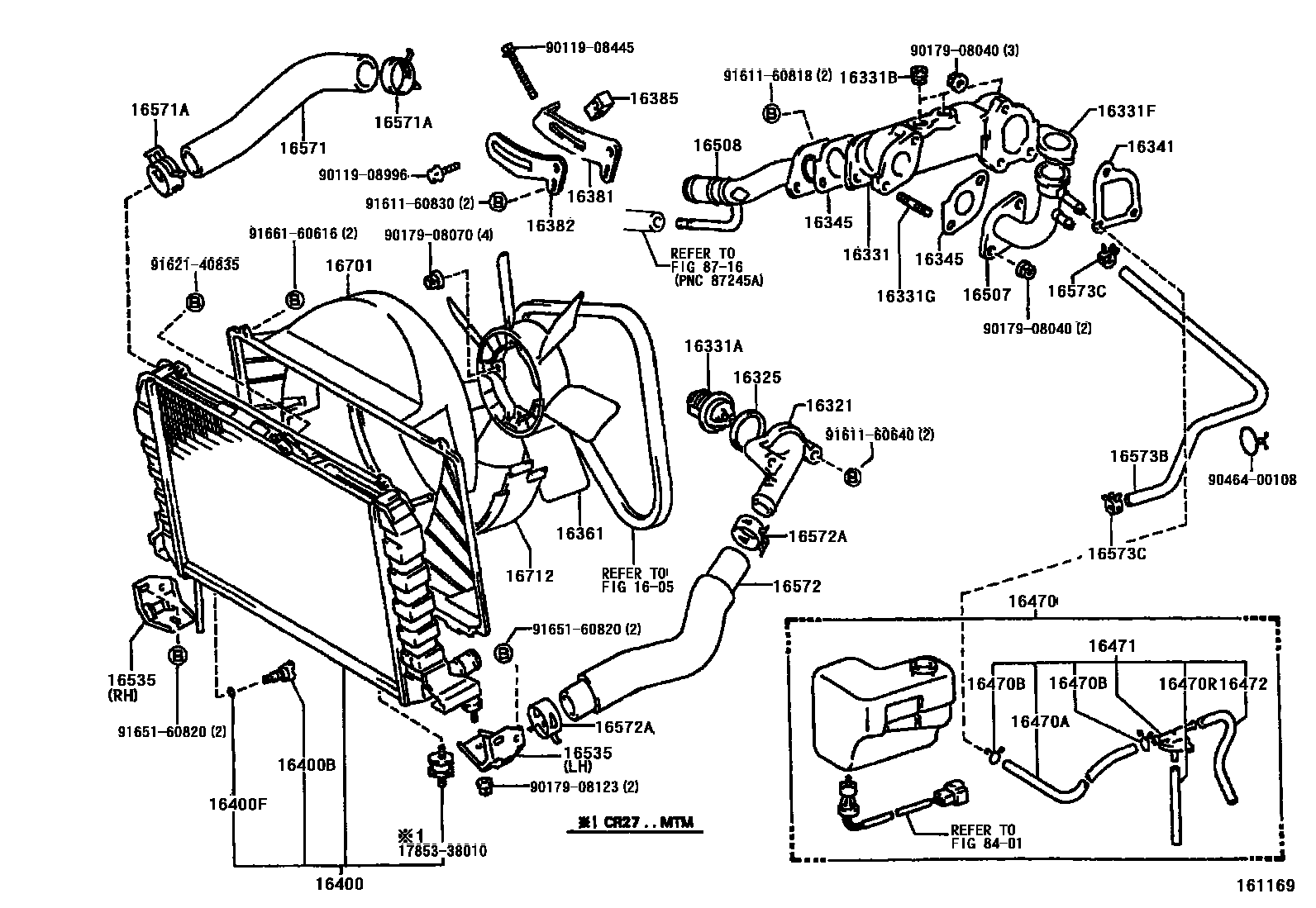
RADIATOR & WATER OUTLET

1605
16321INLET, WATER
16325GASKET, WATER INLET HOUSING, NO.1
sub16325-63011
16331ATHERMOSTAT
16331BPLUG(FOR WATER OUTLET)
16331GBOLT, STUD(FOR WATER INLET)
16341GASKET, WATER OUTLET
16345GASKET, WATER OUTLET PIPE
16361FAN
16381BAR, FAN BELT ADJUSTING
16382LOCK, FAN BELT ADJUSTING
16385SLIDER, FAN BELT ADJUSTING
16400RADIATOR ASSY
sub16400-13570
sub16400-64501
sub16400-64810
sub16400-64710
sub16400-64700
sub16400-64760
sub16400-73121
sub16400-73190
sub16400-73190
16400BPLUG, RADIATOR DRAIN COCK
16400FPACKING(FOR RADIATOR DRAIN COCK)
16470TANK ASSY, RADIATOR RESERVE
16470BCLAMP OR CLIP(FOR RADIATOR RESERVE TANK HOSE)
16470RHOSE, NO.2(FOR RADIATOR RESERVE TANK)
16471CAP SUB-ASSY, RESERVE TANK
16472HOSE, BREATHER
16507PIPE SUB-ASSY, RADIATOR
16508PIPE SUB-ASSY, RADIATOR, NO.2
16535SUPPORT, RADIATOR, LOWER
16571HOSE, RADIATOR, INLET
16572HOSE, RADIATOR, OUTLET
16573BHOSE, RADIATOR, NO.3
16573CCLAMP OR CLIP, RADIATOR HOSE, NO.3
sub96135-51300
8401
8716
1785338010INSULATOR, AIR CLEANER BRACKET
main17853-38010
9011908445
main90119-08445
9011908996
main90119-08996
9017908040
main90179-08040
9017908070
main90179-08070
9017908123
main90179-08123
9046400108
main90464-00108
9161160640
main91611-60640
9161160818
main91611-60818
9161160830
main91611-60830
9162140835
main91621-40835
9165160820
main91651-60820
9166160616
main91661-60616
49 parts on this diagram · 9 diagrams in section