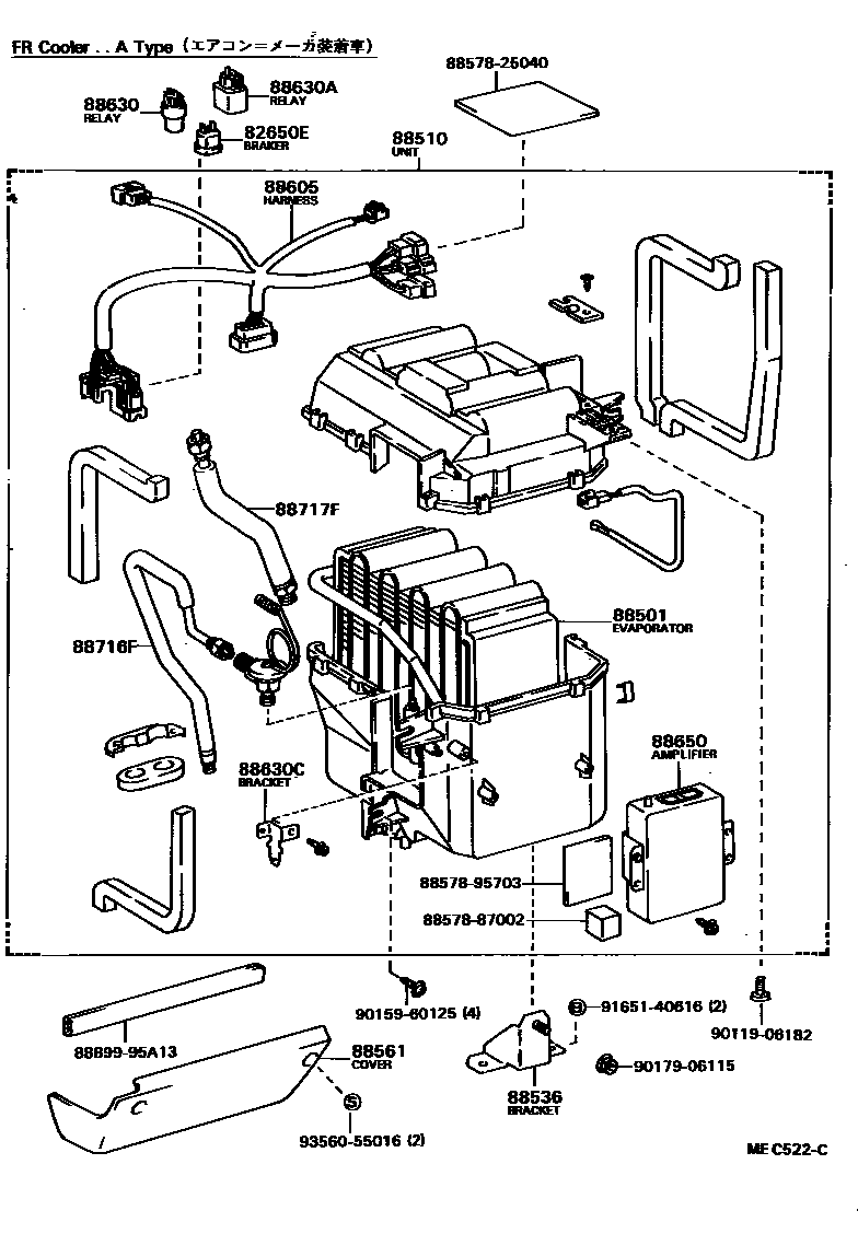
HEATING & AIR CONDITIONING - COOLER UNIT

82650EBREAKER ASSY, WIRING CIRCUIT
88501EVAPORATOR SUB-ASSY, COOLER, NO.1
FR UNIT
RR UNIT
COOL BOX
main88501-87009iYR20..HRF..(E,Q);YR20..HRF..5F..G;YR20..MRF..(08S,09S);CR2#,3#,KR26,YR21,26,28,3#198601-198808
FR UNIT
main88501-87010iYR20..MRF..08S;YR20..HRF..5F..G;YR20..HRF..(E,Q,X);CR21,30,YR21,30..E,G,Q,X198502-198706
RR UNIT
RR UNIT
88510UNIT ASSY, COOLER
FR UNIT,A TYPE
FR UNIT,B TYPE
FR UNIT,A TYPE
FR UNIT,A TYPE
FR UNIT,A TYPE
main88510-87031iYR20..HRF..(E,Q);YR20..HRF..5F..G;YR20..MRF..(08S,09S);CR2#,3#,KR26,YR21,26,28,3#198508-198808
FR UNIT
88536BRACKET, COOLING UNIT, NO.1
88561COVER, COOLER UNIT
W/*AAC
88605HARNESS SUB-ASSY, COOLER WIRING, NO.1
W/*ODAC
W/*ODAC
W/*ODAC
W/*ODAC
W/RR COOLER SWITCH(FR)
W/RR COOLER SWITCH(FR)
W/SINGLE AIR CONDITIONER
W/*ODAC
W/*ODAC
W/*ODAC
W/*AAC
W/*AAC
W/*AAC
W/SINGLE AIR CONDITIONER
W/SINGLE AIR CONDITIONER
W/SINGLE AIR CONDITIONER
W/*ODAC
W/*ODAC
W/SINGLE AIR CONDITIONER
W/*AAC
W/SINGLE AIR CONDITIONER
W/*AAC
W/SINGLE AIR CONDITIONER
W/SUB RADIATOR
88630RELAY ASSY, COOLER
W/*ODAC,NO.2
W/*AAC
COOL BOX
NO.1
88630ARELAY ASSY, COOLER
W/COOLER OR W/*ODAC
W/*AAC
88630CBRACKET, COOLER RELAY
W/*ODAC OR W/*AAC
W/*AAC
88650AMPLIFIER ASSY, COOLER STABILIZER
W/SINGLE AIR CONDITIONER
W/SINGLE AIR CONDITIONER
W/SINGLE AIR CONDITIONER
W/*ODAC
W/*ODAC
W/*ODAC
COOL BOX
W/*ODAC
COOL BOX
W/*ODAC
W/*ODAC
W/*ODAC OR W/*AAC
W/*ODAC OR W/*AAC
W/*ODAC OR W/*AAC
88716FPIPE, COOLER REFRIGERANT LIQUID, F
COOL BOX
COOLER UNIT
88717FPIPE, COOLER REFRIGERANT SUCTION, F
COOL BOX
main88717-87048iYR20..HRF..(E,Q);YR20..HRF..5F..G;YR20..MRF..(08S,09S);CR2#,3#,KR26,YR21,26,28,3#198508-198808
COOLER UNIT
8857825040PAKING, COOLER AIR DUCT
main88578-25040
8857887002PAKING, COOLER AIR DUCT
main88578-87002
8857895703PAKING, COOLER AIR DUCT
main88578-95703
8889995A13COVER, EVAPORATOR
main88899-95A13
9011906182
main90119-06182
9015960125
main90159-60125
9017906115
main90179-06115
9165140616
main91651-40616
9356055016
main93560-55016
21 parts on this diagram · 8 diagrams in section