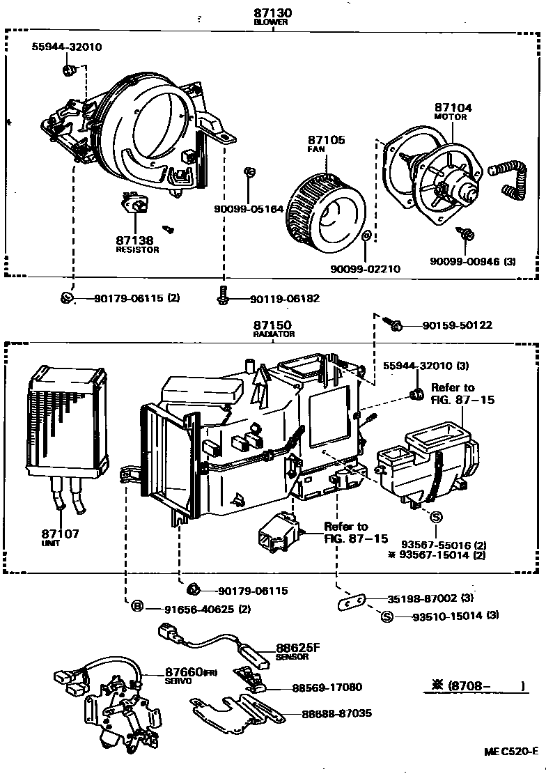
HEATING & AIR CONDITIONING - HEATER UNIT & BLOWER

87104MOTOR SUB-ASSY, HEATER BLOWER
87105FAN SUB-ASSY, HEATER BLOWER
87107UNIT SUB-ASSY, HEATER RADIATOR
COLD SPEC
COLD SPEC
87130BLOWER ASSY, HEATER, FRONT
main87130-87007iYR20..HRF..(E,Q);YR20..HRF..5F..G;YR20..MRF..(08S,09S);CR21,28,30,37,YR21,28,3#198508-198808
main87130-87011iYR20..HRF..(E,Q);YR20..HRF..5F..G;YR20..MRF..(08S,09S);CR21,28,30,37,YR21,28,3#198607-198808
COLD SPEC
COLD SPEC
87138RESISTOR, HEATER BLOWER
8715
87150RADIATOR ASSY, HEATER
COLD SPEC
COLD SPEC
main87150-87015iYR20..HRF..E;YR20..HRF..5F..G;YR20..MRF..(08S,09S);KR26,YR21,26,28,3#..03S,05S,06S,08S198508-198808
COLD SPEC
87660SERVO ASSY, AIR CONDITIONER
FR,W/*AAC
RR,W/*AAC
88625FSENSOR, TEMPERATURE
W/*AAC
3519887002CLAMP, TRANSAXLE APPLY TUBE, NO.4
main35198-87002
5594432010PLATE, HEATER CONTROL SUPPORT
main55944-32010
8856917080CLAMP (FOR COOLER RELAY)
main88569-17080
8868887035BRACKET, COOLER DIAPHRAGM
main88688-87035
9009900946
main90099-00946
9009902210
main90099-02210
9009905164
main90099-05164
9011906182
main90119-06182
9015950122
main90159-50122
9017906115
main90179-06115
9165640625
main91656-40625
9351015014
main93510-15014
9356715014
main93567-15014
9356755016
main93567-55016
23 parts on this diagram · 4 diagrams in section