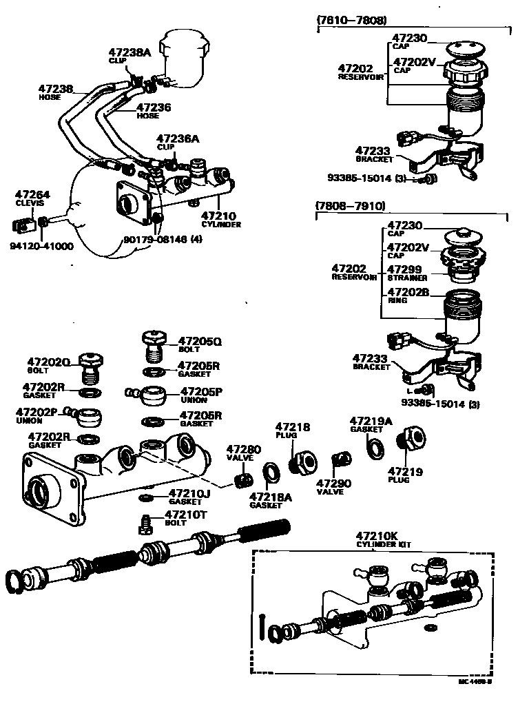
BRAKE MASTER CYLINDER

47202BRING, O(FOR RESERVOIR CAP SET)
47202PUNION, RESERVOIR(FOR BRAKE MASTER CYLINDER SIDE)
47202QBOLT, RESERVOIR UNION(FOR BRAKE MASTER CYLINDER SIDE)
47202RGASKET, RESERVOIR UNION(FOR BRAKE MASTER CYLINDER SIDE)
47205PUNION, RESERVOIR(FOR BRAKE MASTER CYLINDER REAR SIDE)
47205QBOLT, RSVR UNION, NO.2(FOR BRAKE MASTER CYLINDER RR SIDE)
47205RGASKET, RESERVOIR UNION(FOR BRAKE MASTER CYLINDER REAR SIDE)
47210CYLINDER ASSY, MASTER, W/O BOOSTER
ID=22.22,FR DRUM BRAKE
ID=20.64,FR DISC BRAKE
ID=20.64
ID=22.22
ID=20.64
47210JGASKET(FOR MASTER CYLINDER)
47210KCYLINDER KIT, BRAKE MASTER
ID=22.22,FR DRUM BRAKE
ID=20.64,FR DISC BRAKE
ID=20.64
ID=22.22
ID=22.22
ID=20.64,FR DISC BRAKE
47210TBOLT(FOR BRAKE MASTER CYLINDER)
47218PLUG, MASTER CYLINDER FLUID OUTLET
47218AGASKET(FOR FLUID OUTLET PLUG)
47219PLUG, MASTER CYLINDER FLUID OUTLET(FOR REAR SIDE)
47219AGASKET(FOR FLUID OUTLET PLUG REAR SIDE)
47236TUBE, RESERVOIR BRAKE
47236ACLIP(FOR RESERVOIR TUBE)
47238HOSE, MASTER CYLINDER BRIDGE
47238ACLAMP, HOSE(FOR MASTER CYLINDER BRIDGE HOSE)
47264CLEVIS, MASTER CYLINDER PUSH ROD
47299STRAINER, BRAKE MASTER CYLINDER RESERVOIR
9017908146
main90179-08146
9338515014
main93385-15014
9412041000
main94120-41000
30 parts on this diagram · 2 diagrams in section