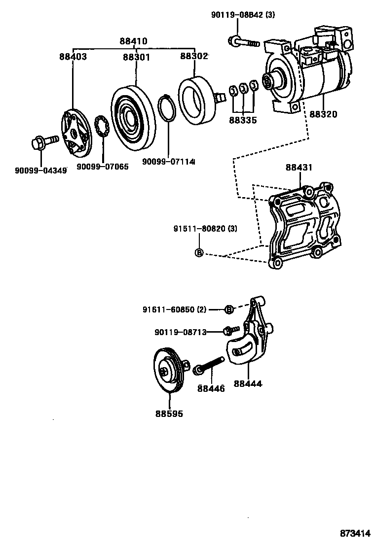
HEATING & AIR CONDITIONING - COMPRESSOR

88301ROTOR SUB-ASSY, MAGNET CLUTCH
88302STATOR SUB-ASSY, MAGNET CLUTCH
88335GASKET KIT, OVERHAUL
88403HUB SUB-ASSY, MAGNET CLUTCH
88410CLUTCH ASSY, MAGNET
88431BRACKET, COMPRESSOR MOUNTING, NO.1
88444BRACKET, IDLE PULLEY
88446BOLT, IDLE PULLEY
88595PULLEY, COOLER COMPRESSOR IDLE
9009904349
main90099-04349
9009907065
main90099-07065
9009907114
main90099-07114
9011908713
main90119-08713
9011908B42
main90119-08B42
9151180820
main91511-80820
9161160850
main91611-60850
17 parts on this diagram · 6 diagrams in section