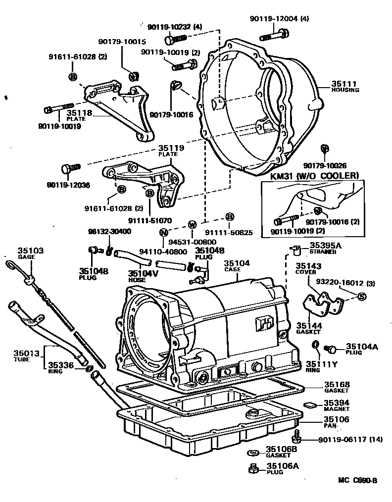
TRANSMISSION CASE & OIL PAN (ATM)

35013TUBE SUB-ASSY, TRANSMISSION OIL FILLER
35103GAGE SUB-ASSY, TRANSMISSION OIL LEVEL
35104CASE SUB-ASSY, AUTOMATIC TRANSMISSION
35104APLUG, AUTOMATIC TRANSMISSION CASE
35104BPLUG, BREATHER, NO.1 (ATM)
T/M CASE SIDE
BODY SIDE
35106PAN SUB-ASSY, AUTOMATIC TRANSMISSION OIL
sub35106-14021
sub35106-27011
sub35106-30051
sub35107-27011
35106APLUG SUB-ASSY, DRAIN (ATM)
sub90341-10011
35106BGASKET, DRAIN PLUG (ATM)
35111HOUSING, AUTOMATIC TRANSMISSION
35111YRING, O (FOR AUTOMATIC TRANSMISSION CASE)
35118PLATE, STIFENER, RH (ATM)
35119PLATE, STIFENER, LH (ATM)
35143COVER, TRANSMISSION CASE, REAR
35144GASKET, TRANSMISSION CASE REAR COVER
sub35144-28010
35168GASKET, AUTOMATIC TRANSMISSION OIL PAN
35336RING, O (FOR TRANSMISSION OIL FILLER TUBE)
35394MAGNET, OIL CLEANER (FOR TRANSMISSION)
35395ASTRAINER, GOVERNOR OIL
9011906117
main90119-06117
9011910019
main90119-10019
9011910232
main90119-10232
9011912004
main90119-12004
9011912036
main90119-12036
9017910015
main90179-10015
9017910016
main90179-10016
9017910026
main90179-10026
9111150825
main91111-50825
9111151070
main91111-51070
9161161028
main91611-61028
9322016012
main93220-16012
9411040800
main94110-40800
9453100800
main94531-00800
9613230400
main96132-30400
34 parts on this diagram · 3 diagrams in section