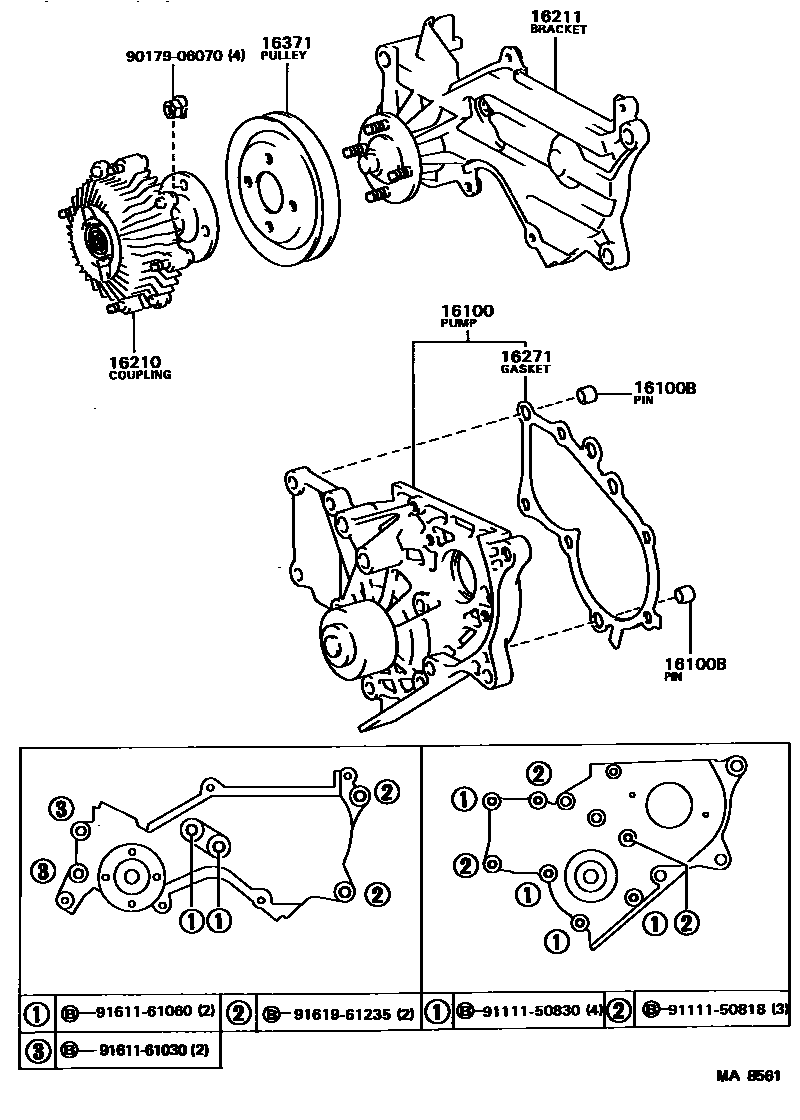
WATER PUMP

16100BPIN, RING(FOR WATER PUMP SET)
16210COUPLING ASSY, FLUID
16211BRACKET, FLUID COUPLING
16371PULLEY, FAN
9017906070
main90179-06070
9111150818
main91111-50818
9111150830
main91111-50830
9161161030
main91611-61030
9161161060
main91611-61060
9161961235
main91619-61235
12 parts on this diagram · 3 diagrams in section