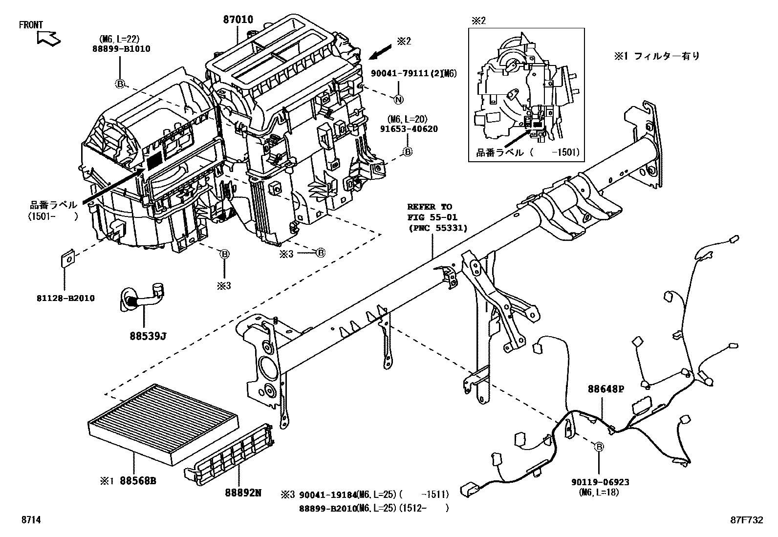
HEATING & AIR CONDITIONING - COOLER UNIT

5501
87010UNIT ASSY, AIR CONDITIONER
sub87010-B2A91
sub87010-B2A92
sub87010-B2A93
sub87010-B2A94
sub87010-B2B01
sub87010-B2B02
sub87010-B2B03
sub87010-B2B03
sub87010-B2B04
sub87010-B2B04
sub87010-B2B71
sub87010-B2B72
sub87010-B2B73
sub87010-B2B74
sub87010-B2B81
sub87010-B2B82
sub87010-B2B83
sub87010-B2B83
sub87010-B2B84
sub87010-B2B84
88539JHOSE, DRAIN COOLER
88568BFILTER, AIR
88648PWIRE,AIR CONDITIONER,NO.1
88892NCOVER, COOLER, NO.2
81128B2010NUT, HEADLAMP
main81128-B2010
88899B1010COVER, EVAPORATOR
main88899-B1010
88899B2010COVER, EVAPORATOR
main88899-B2010
9004119184
main90041-19184
9004179111
main90041-79111
9011906923
main90119-06923
9165340620
main91653-40620
13 parts on this diagram · 3 diagrams in section