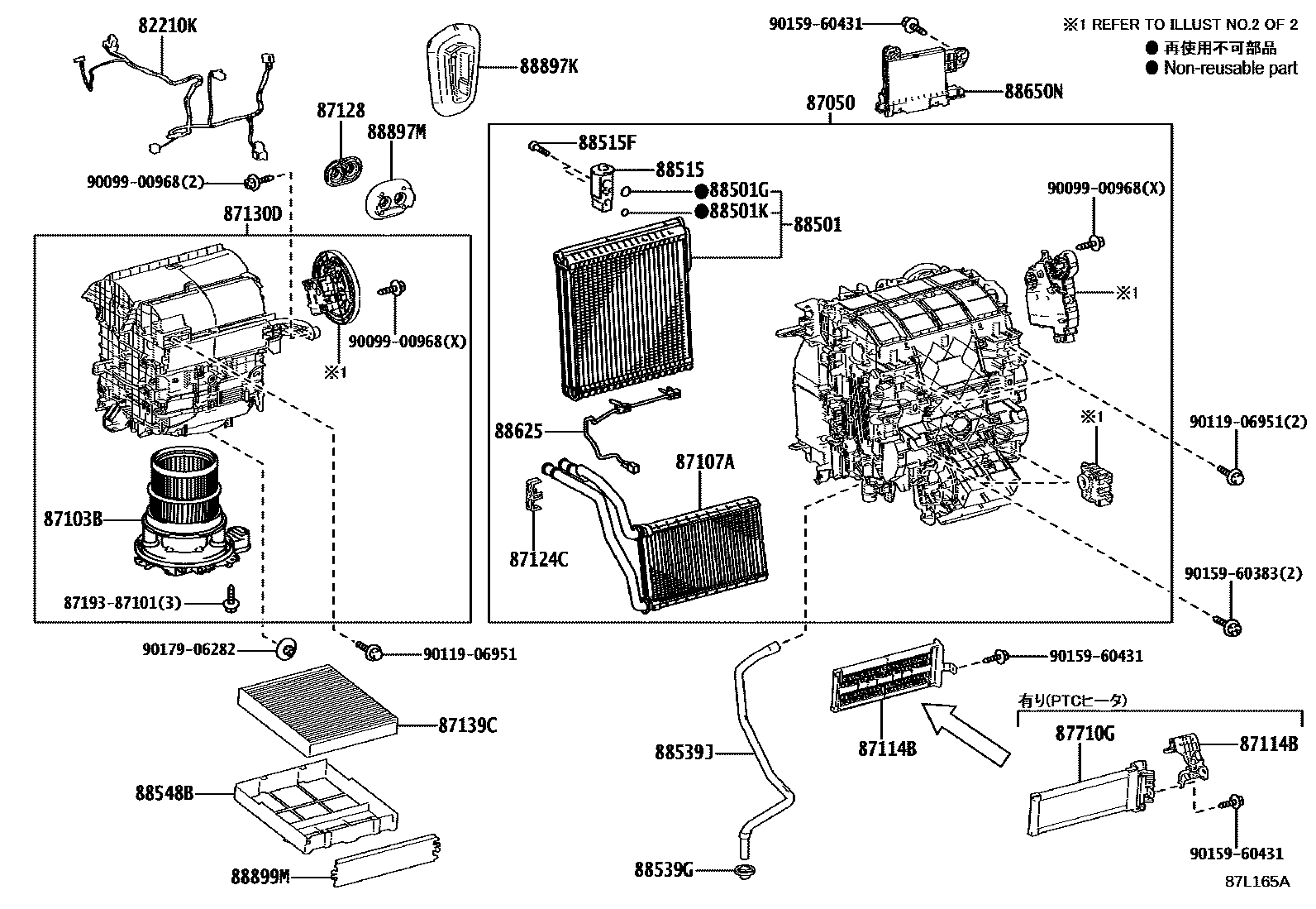
HEATING & AIR CONDITIONING - COOLER UNIT

82210KHARNESS ASSY, AIR CONDITIONER
87050RADIATOR ASSY, AIR CONDITIONER
87103BMOTOR SUB-ASSY, BLOWER W/FAN
87107AUNIT SUB-ASSY, HEATER RADIATOR
87124CCLAMP, HEATER
87128GROMMET, HEATER
87130DBLOWER ASSY
87710GQUICK HEATER ASSY
88501EVAPORATOR SUB-ASSY, COOLER, NO.1
88501GO-RING, COOLER EVAPORATOR NO.1(SUCTION)
88501KO-RING, COOLER EVAPORATOR NO.1(LIQUID)
88515VALVE, COOLER EXPANSION
88515FBOLT(FOR COOLER EXPANSION VALVE)
88539GGROMMET (FOR COOLER UNIT DRAIN HOSE)
88650NAMPLIFIER ASSY, AIR CONDITIONER
88897MGROMMET (FOR HEATER PIPE)
88899MPLATE, COVER(FOR AIR FILTER)
8719387101
main87193-87101
9009900968
main90099-00968
9011906951
main90119-06951
9015960383
main90159-60383
9015960431
main90159-60431
9017906282
main90179-06282
29 parts on this diagram · 4 diagrams in section