E
EPC Data

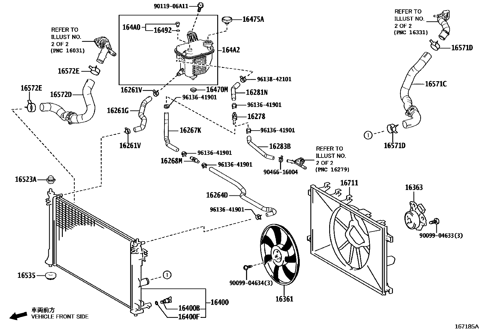
RADIATOR & WATER OUTLET

Parts diagram
16261GHOSE, WATER BY-PASS, NO.1
main16261-24020i201910-202207
main16261-24030i201810-201910
16261VCLAMP OR CLIP, HOSE(FOR WATER BY-PASS HOSE)
main96138-42501i201810-201910
16264DHOSE, WATER BY-PASS, NO.2
main16264-24020i201810-201910
main16264-24030i201811-201910
16267HOSE, WATER BY-PASS, NO.3
main16267-24040i201810-202207
main16267-25020i201811-202207
16267KHOSE, WATER BY-PASS, NO.3
main16267-24020i201810-201910
16268MPIPE, WATER BY-PASS, NO.3
main16268-37120i201810-201910
16278PIPE, WATER BY-PASS, NO.2
main16268-37100i201810-201910
16281HOSE, WATER BY-PASS, NO.4
main16281-24030i201810-202207
16281NHOSE, WATER BY-PASS, NO.4
main16281-24010i201810-201910
main16281-24040i201811-201910
16283HOSE, WATER BY-PASS, NO.6
main16283-24010i201810-202207
main16283-24020i201811-202207
16283BHOSE, WATER BY-PASS
main16281-24060i201910-202207
main16281-24070i201910-202207
main16296-24010i201810-201910
main16296-24030i201811-201910
16361FAN
main16361-24090i201810-202207
16363MOTOR, COOLING FAN
main16363-47060i201810-202207
16400RADIATOR ASSY
main16400-24320i201810-201910
main16400-24340i201910-202207
main16400-37311i201811-201910
main16400-37380i201910-202207
16400BPLUG, RADIATOR DRAIN COCK
main16417-21280i201810-202207
16400FPACKING(FOR RADIATOR DRAIN COCK)
main16492-21050i201810-202207
16470TANK ASSY, RADIATOR RESERVE
main16470-37040i201910-202207
16470MGROMMET
main90480-18010i201810-202207
16475ACAP, RESERVE TANK
main16475-28140i201810-201910
16492RING, O(FOR RADIATOR RESERVE TANK COCK)
main16492-21050i201810-201910
164A0COCK ASSY, RESERVE TANK
main164A0-37010i201810-201910
164A2TANK, RESERVE SEALED W/O CAP
main164A2-37012i201810-201910
16523ACUSHION, RADIATOR SUPPORT
main16523-37010i201810-202207
16535SUPPORT, RADIATOR, LOWER
main90480-40021i201810-202207
16571CHOSE, RADIATOR, NO.1
main16571-24080i201810-202207
main16571-24200i201811-202207
16571DCLIP, RADIATOR HOSE, NO.1
main90466-43002i201810-202207
16572DHOSE, RADIATOR, NO.2
main16572-24050i201811-202207
main16572-24060i201810-202207
16572ECLIP, RADIATOR HOSE, NO.2
main90466-43002i201810-202207
16711SHROUD, FAN
main16711-24130i201810-202207
main16711-24140i201811-202207
9009904633
9009904634
9011906A11
9046616004
9613641901
9613842101

35 parts on this diagram · 6 diagrams in section

RADIATOR & WATER OUTLET — Toyota Parts Diagram with OEM Numbers & Prices | EPC Data