REAR SPRING & SHOCK ABSORBER

4102
4707
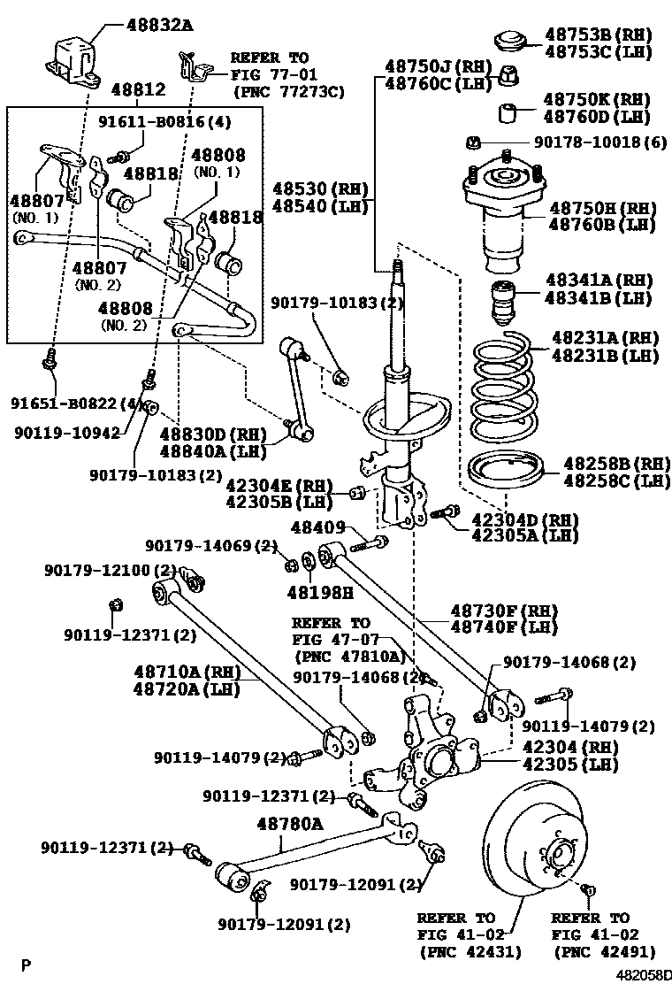
48198HCAM, CAMBER ADJUST, NO.2
48258BINSULATOR, REAR COIL SPRING, LOWER RH
48258CINSULATOR, REAR COIL SPRING, LOWER LH
48341ABUMPER, REAR SPRING, NO.1 RH
48341BBUMPER, REAR SPRING, NO.1 LH
48409CAM SUB-ASSY, REAR SUSPENSION TOE ADJUST
48710AARM ASSY, REAR SUSPENSION, NO.1 RH
48720AARM ASSY, REAR SUSPENSION, NO.1 LH
48730FARM ASSY, REAR SUSPENSION, NO.2 RH
48740FARM ASSY, REAR SUSPENSION, NO.2 LH
48750HSUPPORT ASSY, REAR SUSPENSION, RH
48750JNUT(FOR REAR SUPPORT TO REAR SHOCK ABSORBER RH)
48750KCOLLAR(FOR REAR SUPPORT TO REAR SHOCK ABSORBER RH)
48753BCOVER, REAR SUSPENSION SUPOPORT, NO.1 RH
48753CCOVER, REAR SUSPENSION SUPOPORT, NO.1 LH
48760BSUPPORT ASSY REAR SUSPENSION, LH
48760CNUT(FOR REAR SUPPORT TO REAR SHOCK ABSORBER LH)
48760DCOLLAR(FOR REAR SUPPORT TO REAR SHOCK ABSORBER LH)
48812BAR, STABILIZER, REAR
48832ABRACKET, REAR STABILIZER BAR, NO.1
7701
9011910942
main90119-10942
9011912371
main90119-12371
9011914079
main90119-14079
9017810018
main90178-10018
9017910183
main90179-10183
9017912091
main90179-12091
9017912100
main90179-12100
9017914068
main90179-14068
9017914069
main90179-14069
91611B0816
main91611-B0816
91651B0822
main91651-B0822
50 parts on this diagram · 1 diagram in section