FRONT FENDER APRON & DASH PANEL

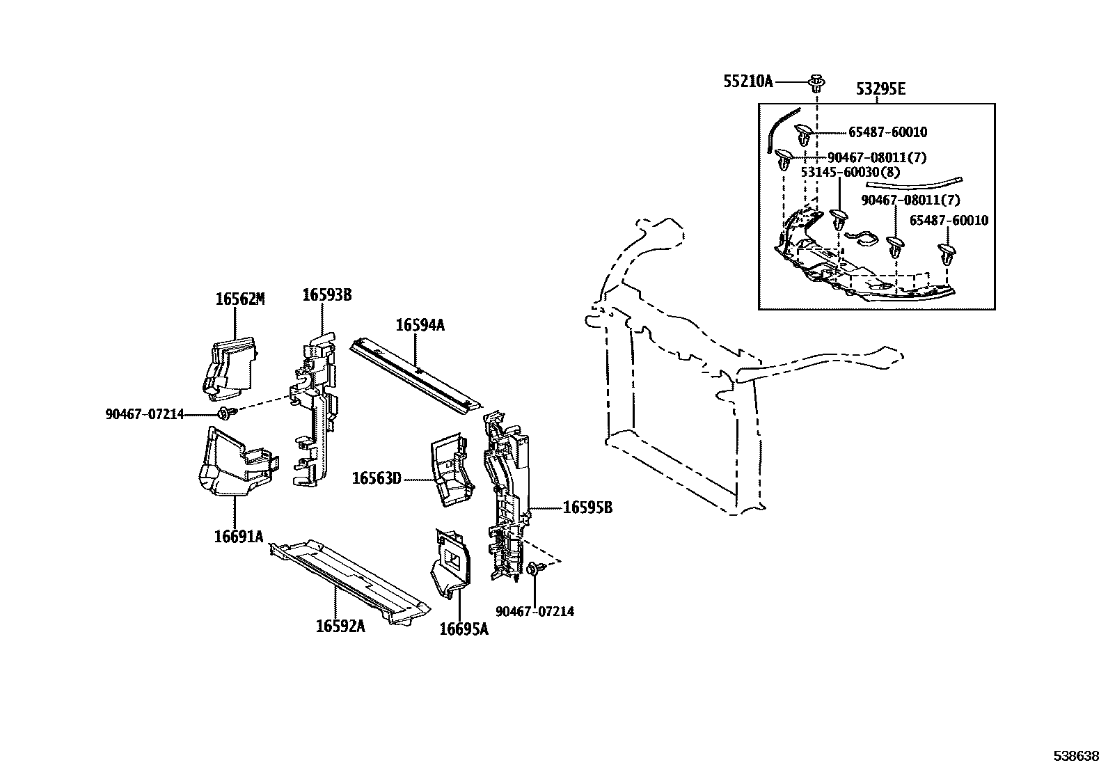
16562MSEAL, RADIATOR TO SUPPORT, NO.2
16563DSEAL, RADIATOR TO SUPPORT, NO.3
16592AGUIDE, RADIATOR AIR, NO.3
16593BGUIDE, RADIATOR AIR, NO.1 RH
16594AGUIDE, RADIATOR AIR, NO.2
16595BGUIDE, RADIATOR AIR, NO.1 LH
16691APLATE, RADIATOR SIDE AIR GUIDE, FRONT RH
16695APLATE, RADIATOR SIDE AIR GUIDE, FRONT LH
53295ESEAL, COOL AIR INTAKE DUCT
55210INSULATOR ASSY, DASH PANEL
55210ACLIP
5314560030BRACKET,RADIATOR GRILLE MOUNTING, RH
main53145-60030
6548760010CLIP, CORNER PROTECTOR
main65487-60010
9046707214
main90467-07214
9046708011
main90467-08011
15 parts on this diagram · 3 diagrams in section