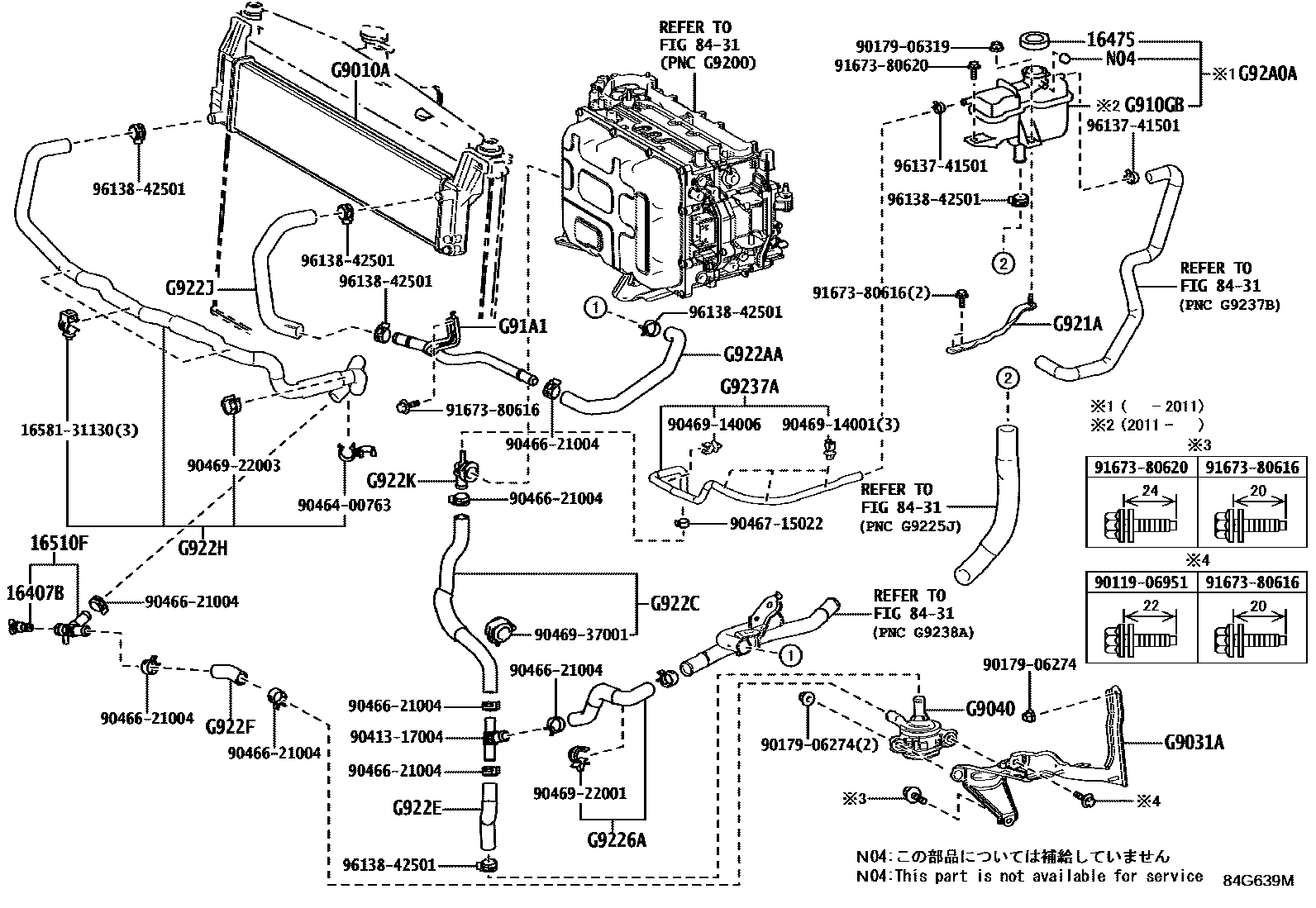
INVERTER COOLING

16407BCOCK SUB-ASSY, RADIATOR DRAIN
16510FCOCK ASSY, DRAIN
8431
G9010ARADIATOR ASSY
G9040INVERTER WATER PUMP ASSY(W/MOTOR)
G910GBTANK SUB-ASSY, INVERTER RESERVE W/O CAP
G91A1PIPE, INVERTER COOLING, INLET
G921ABRACKET, INVERTER RESERVE TANK, NO.1
G9226AHOSE, INVERTER COOLING, NO.2
G922AAHOSE, INVERTER COOLING INLET, NO.1
G922CHOSE, INVERTER COOLING OUTLET, NO.1
G922EHOSE, HYBRID WATER PUMP INLET
G922FHOSE, HYBRID WATER PUMP OUTLET, NO.1
G922HHOSE, HYBRID RADIATOR INLET
G922JHOSE, HYBRID RADIATOR OUTLET
G922KCONNECTOR, HYBRID WATER HOSE
G9237AHOSE, INVERTER DRAIN
1658131130CLAMP, HOSE(FOR WATER HOSE)
main16581-31130
9011906951
main90119-06951
9017906274
main90179-06274
9017906319
main90179-06319
9041317004
main90413-17004
9046400763
main90464-00763
9046621004
main90466-21004
9046715022
main90467-15022
9046914001
main90469-14001
9046914006
main90469-14006
9046922001
main90469-22001
9046922003
main90469-22003
9046937001
main90469-37001
9167380616
main91673-80616
9167380620
main91673-80620
9613741501
main96137-41501
9613842501
main96138-42501
37 parts on this diagram · 1 diagram in section