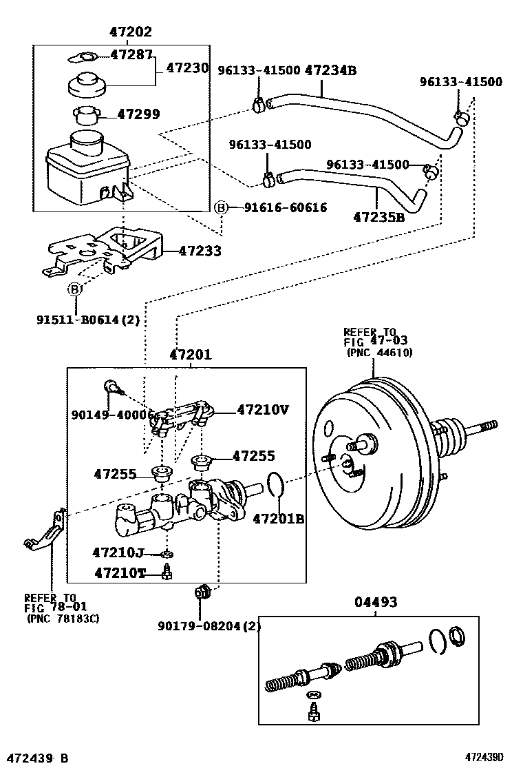
BRAKE MASTER CYLINDER

4703
47201CYLINDER SUB-ASSY, BRAKE MASTER
47201BRING, O(FOR BRAKE MASTER CYLINDER)
47202RESERVOIR SUB-ASSY, BRAKE MASTER CYLINDER
47210JGASKET(FOR MASTER CYLINDER)
47210TBOLT(FOR BRAKE MASTER CYLINDER)
47210VUNION(FOR BRAKE MASTER CYLINDER)
47230CAP ASSY, BRAKE MASTER CYLINDER RESERVOIR FILLER
47233BRACKET, RESERVOIR
47235BTUBE, BRAKE MASTER CYRINDER RESERVOIR, NO.2
47255GROMMET, MASTER CYLINDER RESERVOIR
47287LABEL, BRAKE FLUID INFORMATION
47299STRAINER, BRAKE MASTER CYLINDER RESERVOIR
7801
9014940006
main90149-40006
9017908204
main90179-08204
91511B0614
main91511-B0614
9161660616
main91616-60616
9613341500
main96133-41500
21 parts on this diagram · 2 diagrams in section