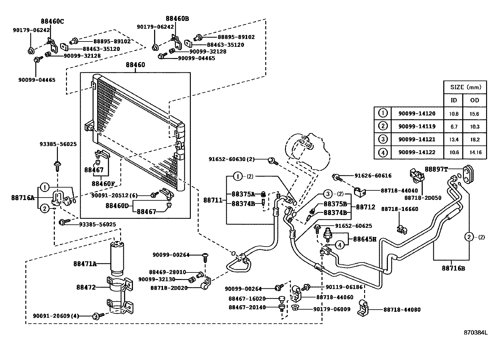
HEATING & AIR CONDITIONING - COOLER PIPING

88374BVALVE, SERVICE, NO.1
88375ACAP, SERVICE VALVE (FOR COOLER PIPE)
88375BCAP, SERVICE VALVE, NO.1
88460BBRACKET, COOLER CONDENSER, NO.1
88460CBRACKET, COOLER CONDENSER, NO.2
88460DBRACKET, COOLER CONDENSER, NO.3
88460FBRACKET, COOLER CONDENSER, NO.4
88467CUSHION, COOLER CONDENSER, NO.1
88472BRACKET, RECEIVER TANK, NO.1
88645HSWITCH, PRESSURE NO.1
88711HOSE, COOLER REFRIGERANT DISCHARGE, NO.1
88716APIPE, COOLER REFRIGERANT LIQUID, A
88716BPIPE, COOLER REFRIGERANT LIQUID, B
88897TGROMMET, COOLER
8846335120BRACKET, COOLER CONDENSER, NO.1
main88463-35120
8846716020CUSHION, COOLER CONDENSER, NO.1
main88467-16020
8846720140CUSHION, COOLER CONDENSER, NO.1
main88467-20140
8846928010SWITCH, PRESSURE CONTROL
main88469-28010
8871816660PIPE, COOLER REFRIGERANT SUCTION, NO.2
main88718-16660
887182D020PIPE, COOLER REFRIGERANT SUCTION, NO.2
main88718-2D020
887182D050PIPE, COOLER REFRIGERANT SUCTION, NO.2
main88718-2D050
8871844040PIPE, COOLER REFRIGERANT SUCTION, NO.2
main88718-44040
8871844060PIPE, COOLER REFRIGERANT SUCTION, NO.2
main88718-44060
8871844080PIPE, COOLER REFRIGERANT SUCTION, NO.2
main88718-44080
8889589102HOLDER, FUSE
main88895-89102
9009120512
main90091-20512
9009120609
main90091-20609
9009900264
main90099-00264
9009904465
main90099-04465
9009914119
main90099-14119
9009914120
main90099-14120
9009914121
main90099-14121
9009914122
main90099-14122
9009932128
main90099-32128
9009932130
main90099-32130
9011906186
main90119-06186
9017906009
main90179-06009
9017906242
main90179-06242
9162660616
main91626-60616
9165260625
main91652-60625
9165260630
main91652-60630
9338556025
main93385-56025
45 parts on this diagram · 8 diagrams in section