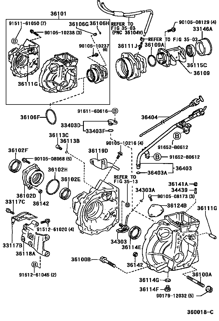
TRANSFER CASE & EXTENSION HOUSING

33117BPROTECTOR, TRANSFER CASE
33117CBOLT(FOR TRANSFER CASE PROTECTOR)
33146ADEFLECTOR, TRANSFER EXTENSION HOUSING DUST
33403DCOVER SUB-ASSY, SPEEDOMETER DRIVEN HOLE
33403FRING,O (FOR SPEEDOMETER DRIVEN HOLE COVER)
34303STRAINER SUB-ASSY, TRANSFER OIL
34303ARING, O (FOR TRANSFER OIL STRAINER)
34439STRAINER, TRANSFER VALVE BODY
3503
3513
36100ABOLT, STUD (FOR TRANSFER & TRANSAXLE SETTING)
36100BBOLT (FOR TRANSFER & TRANSAXLE SETTING)
36101CASE SUB-ASSY, TRANSFER
36102DRETAINER SUB-ASSY, TRANSFER RH BEARING
36102ESEAL, OIL, NO.1 (FOR TRANSFER RH BEARING RETAINER)
36102FSEAL, OIL, NO.2 (FOR TRANSFER RH BEARING RETAINER)
36102HRING, O (FOR TRANSFER RH BEARING RETAINER)
36106FRING, O (FOR TRANSFER PINION BEARING CAGE)
36106GPLUG, STRAIGHT (FOR TRANSFER PINION BEARING CAGE)
36106HPLUG, O (FOR TRANSFER PINION BEARING CAGE PLUG)
36109HOUSING SUB-ASSY, TRANSFER EXTENSION
36109ARING, O (FOR TRANSFER EXTENSION HOUSING)
36111GPIN, STRAIGHT (FOR TRANSFER CASE)
36111JUNION, BREATHER, NO.1 (FOR TRANSFER)
36113BRING, O (FOR TRANSFER CASE PLUG)
36113CPLUG (FOR TRANSFER CASE)
36114ESEAL, OIL (FOR TRANSFER CASE LH)
36114FPLUG (FOR TRANSFER DRAIN)
36114GGASKET (FOR TRANSFER DRAIN PLUG)
36115CSEAL, TYPE T OIL (FOR TRANSFER EXTENSION HOUSING)
36118APLATE, TRANSFER STIFFENER, RH
36119DPLATE, TRANSFER STIFFENER, CENTER
36124BCOVER, TRANSFER INSPECTION HOLE
36141AGASKET, TRANSFER CASE
36142GASKET, TRANSFER COVER
36403TUBE SUB-ASSY, TRANSFER OIL FILLER
36403ARING, O (FOR TRANSFER OIL FILLER TUBE)
36404GAGE SUB-ASSY, TRANSFER OIL LEVEL
9010508068
9010508129
9010508173
9010510216
9010510237
9010510238
9017912032
9151161050
9151261020
9151261045
9161160616
91652B0612
50 parts on this diagram · 2 diagrams in section