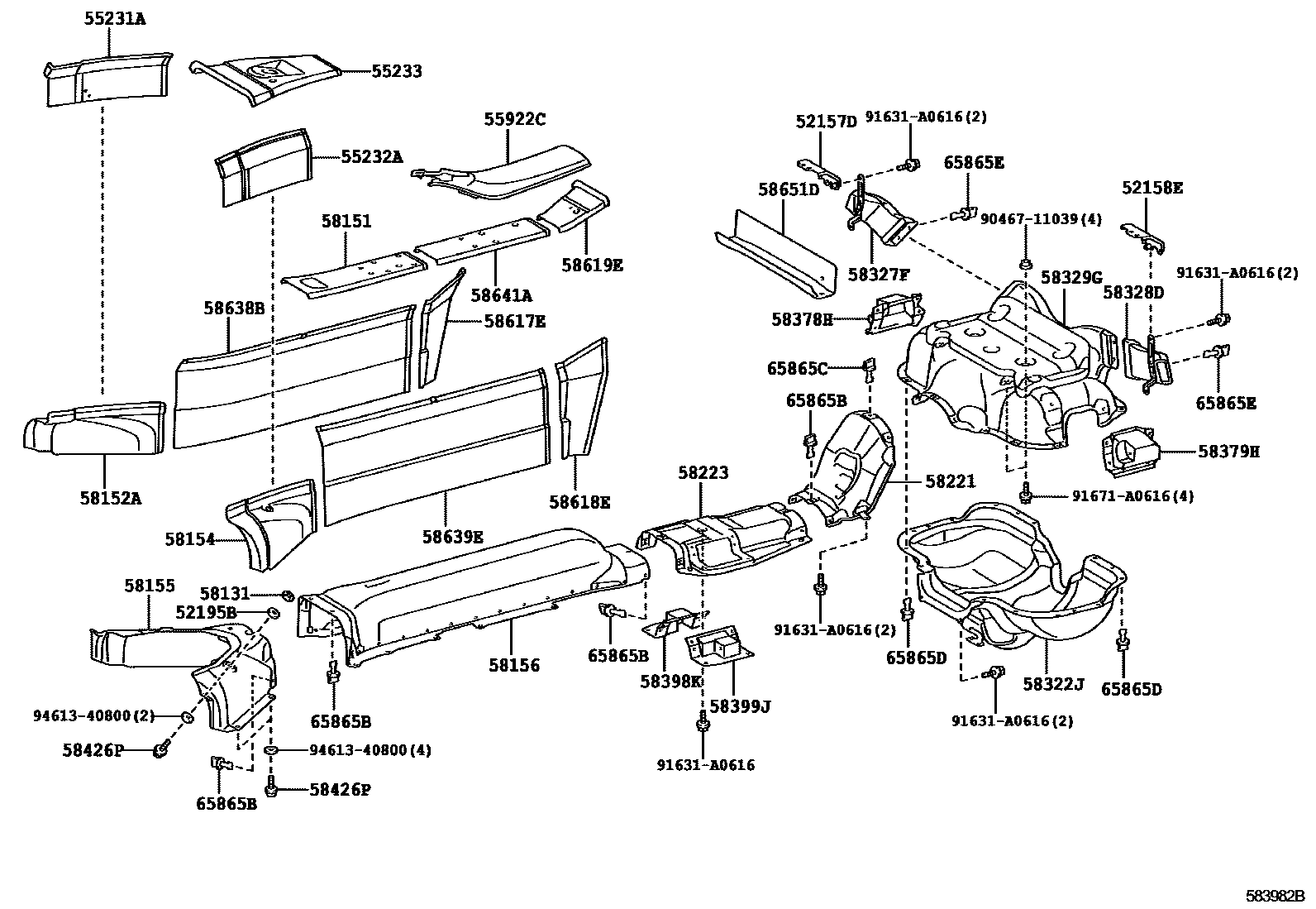
FLOOR INSULATOR

52157DSTAY, REAR BUMPER SIDE, NO.2 RH
52158ESTAY, REAR BUMPER SIDE, NO.2 LH
52195BSPACER, REAR BUMPER EXTENSION, RH
55231ASHEET, DASH PANEL INSULATOR, RH
55232ASHEET, DASH PANEL INSULATOR, LH
55233SHEET, DASH PANEL INSULATOR
55922CSPRING, WASHER
58131BRACKET, FRONT FLOOR HEAT INSULATOR, NO.1
58151INSULATOR, FRONT FLOOR HEAT, NO.1
58152AINSULATOR, FRONT FLOOR HEAT, NO.1 LOWER
58154INSULATOR, FRONT FLOOR HEAT, NO.2 LOWER
58155INSULATOR, FRONT FLOOR HEAT, NO.3
58156INSULATOR, FRONT FLOOR HEAT, NO.4
58221INSULATOR, CENTER FLOOR HEAT, NO.1
58223INSULATOR, CENTER FLOOR HEAT, NO.2
58322JINSULATOR, REAR FLOOR HEAT, LOWER
58327FINSULATOR, MAIN MUFFLER HEAT, RH
58328DINSULATOR, MAIN MUFFLER HEAT, LH
58329GINSULATOR, MAIN MUFFLER HEAT, REAR UPPER
58378HCOVER, LOWER BACK TRIM RETAINER, RH
58379HCOVER, LOWER BACK TRIM RETAINER, LH
58398KCOVER, FLOOR UNDER, NO.1
58399JCOVER, FLOOR UNDER, NO.2
58426PPROTECTOR, ENGINE SUB COVER
58617ESHEET, CENTER FLOOR SILENCER, REAR RH
58618ESHEET, CENTER FLOOR SILENCER, REAR LH
58619ESHEET, CENTER FLOOR SILENCER, REAR CENTER
58638BSHEET, FRONT SEAT FLOOR SILENCER, RH
58639ESHEET, FRONT SEAT FLOOR SILENCER, LH
58641ASHEET, FRONT FLOOR SILENCER, REAR
58651DSHEET, REAR FLOOR SILENCER, NO.1
65865BPIN, COVER TOP GUIDE
65865CPIN, COVER TOP GUIDE
65865DPIN, COVER TOP GUIDE
65865EPIN, COVER TOP GUIDE
9046711039
91631A0616
91671A0616
9461340800
39 parts on this diagram · 1 diagram in section