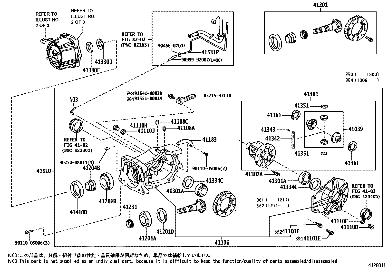
REAR AXLE HOUSING & DIFFERENTIAL

4102
41039GEAR KIT, DIFFERENTIAL, REAR
41101EBOLT (FOR REAR DIFFERENTIAL CARRIER)
41108APLUG (FOR REAR DIFFERENTIAL CARRIER COVER)
41108CPLUG, BREATHER (FOR REAR DIFFERENTIAL CARRIER COVER)
sub90930-03235
41110DPLUG (FOR REAR DIFFERENTIAL DRAIN)
41110EGASKET (FOR REAR DIFFERENTIAL DRAIN PLUG)
41110HPLUG (FOR REAR DIFFERENTIAL FILLER)
41110JGASKET (FOR REAR DIFFERENTIAL FILLER PLUG)
41183DEFLECTOR, REAR DIFFERENTIAL BREATHER PLUG OIL
41201FINAL GEAR KIT, DIFFERENTIAL, REAR
sub41201-59425
41201ABEARING (FOR REAR DRIVE PINION REAR)
41201BBEARING (FOR REAR DRIVE PINION FRONT)
41201DWASHER, PLATE (FOR REAR DIFFERENTIAL DRIVE PINION)
41204BNUT (FOR REAR DRIVE PINION)
41231SPACER, REAR DIFFERENTIAL DRIVE PINION BEARING
41301CASE SUB-ASSY, REAR DIFFERENTIAL
41301ABEARING(FOR REAR DIFFERENTIAL CASE)
41302CASE SUB-ASSY, REAR DIFFERENTIAL
41302ABOLT(FOR REAR DIFFERENTIAL CASE)
41330EWASHER, CONICAL SPRING (FOR TRANSMISSION COUPLING)
41330JSHIM (FOR TRANSMISSION COUPLING)
41334CWASHER, PLATE (FOR REAR DIFFERENTIAL SIDE GEAR SHAFT)
41342SHAFT, REAR DIFFERENTIAL PINION
41343PIN, REAR DIFFERENTIAL PINION SHAFT
41351WASHER, REAR DIFFERENTIAL PINION THRUST
41361WASHER, REAR DIFFERENTIAL SIDE GEAR THRUST, NO.1
41410DSEAL, OIL DIAPHRAGM
41531PHOSE, REAR DIFFERENTIAL VACUUM
8202
8271542C10BRACKET,WIRING HARNESS CLAMP
main82715-42C10
9011005006
main90110-05006
9025008014
main90250-08014
9046607002
main90466-07002
9099992002
main90999-92002
9155180814
main91551-80814
91641H0820
main91641-H0820
39 parts on this diagram · 3 diagrams in section