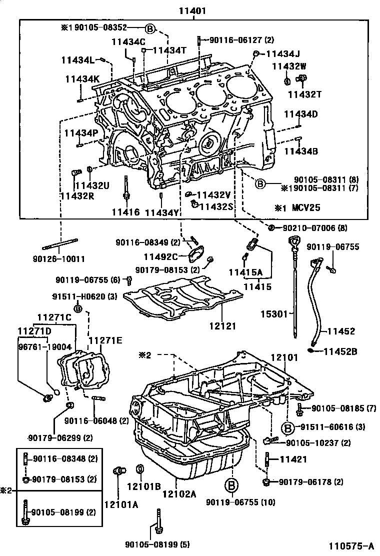
CYLINDER BLOCK

11271CCOVER, CYLIVDER BLOCK SIDE
11271DPLUG, DRAIN COCK(FOR CYLINDER BLOCK SIDE COVER )
11271EGASKET, E.G.R COOLER
11401BLOCK SUB-ASSY, CYLINDER
11415COCK SUB-ASSY, WATER DRAIN(FOR CYLINDER BLOCK)
11415APLUG, WATER DRAIN COCK(FOR CYLINDER BLOCK)
11416BOLT(FOR CRANKSHAFT BEARING CAP SET)
11421BOLT, STUD(FOR OIL PAN)
11432RPLUG, W/HEAD STRAIGHT SCREW, NO.1(FOR CYLINDER BLOCK)
11432SPLUG, W/HEAD STRAIGHT SCREW, NO.2(FOR CYLINDER BLOCK)
11432TPLUG, W/HEAD STRAIGHT SCREW, NO.3(FOR CYLINDER BLOCK)
11432UGASKET, STRAIGHT SCREW PLUG NO.1(FOR CYLINDER BLOCK)
11432VGASKET, STRAIGHT SCREW PLUG NO.2(FOR CYLINDER BLOCK)
11432WGASKET, STRAIGHT SCREW PLUG NO.3(FOR CYLINDER BLOCK)
11434BPIN, STRAIGHT(FOR CLUTCH HOUSING SET)
11434CPIN, STRAIGHT (FOR CYLINDER HEAD SET)
11434DPIN, STRAIGHT(FOR ENGINE REAR OIL SEAL)
11434JPIN, RING (FOR CYLINDER HEAD SET)
11434KPIN, STRAIGHT(FOR WATER PUMP)
11434LPIN, STRAIGHT(FOR ENGINE MOUNTING)
11434PPIN, STRAIGHT(FOR OIL PUMP SET)
11434TPIN, RING(FOR TIMING BELT IDLER BRACKET SET)
11434YPIN, STRAIGHT(FOR OIL PAN)
11452GUIDE, OIL LEVEL GAGE
11452BRING, O(FOR OIL LEVEL GAGE GUIDE)
11492CPLATE, WATER SEAL
12101PAN SUB-ASSY, OIL
12101APLUG(FOR OIL PAN DRAIN)
12101BGASKET(FOR OIL PAN DRAIN PLUG)
12102APAN SUB-ASSY, OIL, NO.2
12121PLATE, OIL PAN BAFFLE, NO.1
15301GAGE SUB-ASSY, OIL LEVEL
9010508185
9010508199
9010508311
9010508352
9010510237
9011606048
9011606127
9011608348
9011608349
9011906755
9012610011
9017906178
9017906299
9017908153
9021007006
9151160616
91511H0620
9676119004
50 parts on this diagram · 2 diagrams in section