E
EPC Data

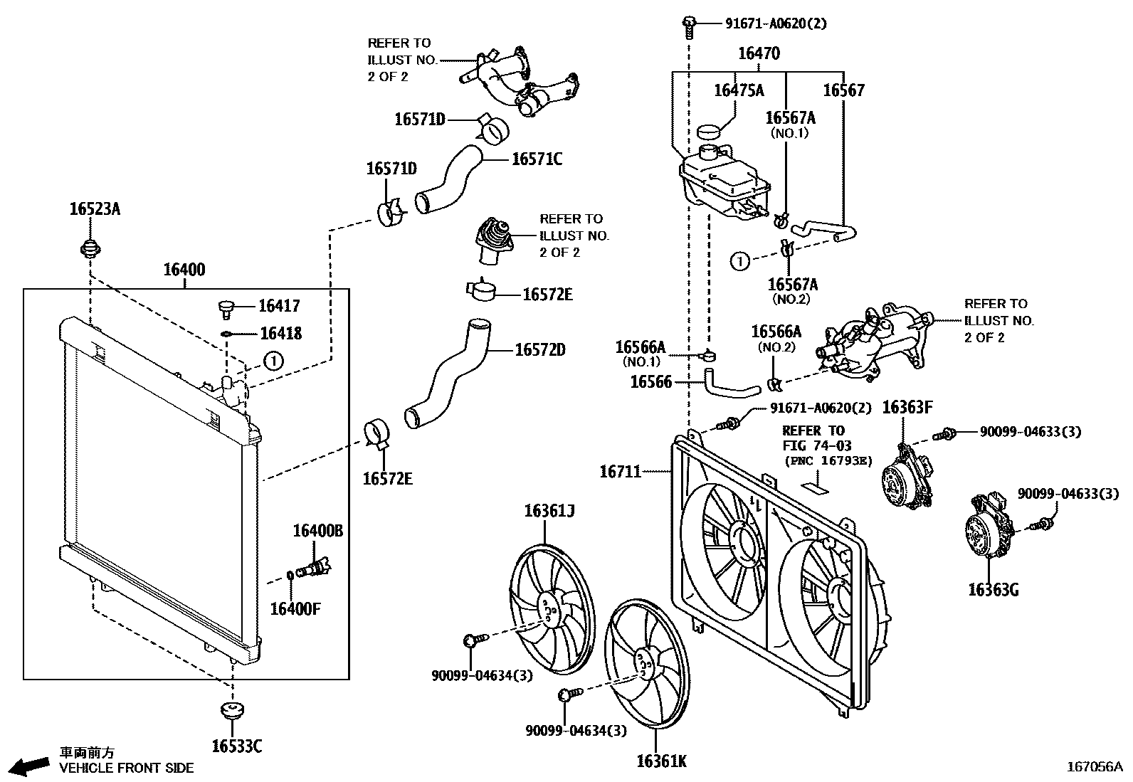
RADIATOR & WATER OUTLET

Parts diagram
16361JFAN, RH
main16361-38170i201806
16361KFAN, LH
main16361-38160i201806
16363FMOTOR, COOLING FAN, RH
main16363-31490i201806
16363GMOTOR, COOLING FAN, LH
main16363-31490i201806
16400RADIATOR ASSY
main16400-38202i201806
16400BPLUG, RADIATOR DRAIN COCK
main16417-21280i201806
16400FPACKING(FOR RADIATOR DRAIN COCK)
main16492-21050i201806
16417COCK
main16417-28530i201806
16418PACKING
main16418-20291i201806
16470TANK ASSY, RADIATOR RESERVE
main16470-38070i201806
16475ACAP, RESERVE TANK
main16475-28140i201806
16523ACUSHION, RADIATOR SUPPORT
main16523-38010i201806
16533CGROMMET(FOR RADIATOR SUPPORT)
main90480-40022i201806
16566HOSE, RESERVE TANK OUTLET
main16566-38050i201806
16566ACLIP(FOR RESERVE TANK OUTLET)
main90467-15022i201806
main96137-41501i201806
16567HOSE(FOR RADIATOR RESERVE TANK)
main16567-38011i201806
16567ACLIP(FOR RADIATOR RESERVE TANK HOSE)
main90467-16037i201806
main96136-42101i201806
16571CHOSE, RADIATOR, NO.1
main16571-38061i201806
16571DCLIP, RADIATOR HOSE, NO.1
main90466-39002i201806
16572DHOSE, RADIATOR, NO.2
main16572-38111i201806
16572ECLIP, RADIATOR HOSE, NO.2
main90466-39002i201806
16711SHROUD, FAN
main16711-38190i201806
7403CAUTION PLATE (EXTERIOR & INTERIOR)
9009904633
9009904634
91671A0620

26 parts on this diagram · 2 diagrams in section

RADIATOR & WATER OUTLET — Toyota Parts Diagram with OEM Numbers & Prices | EPC Data