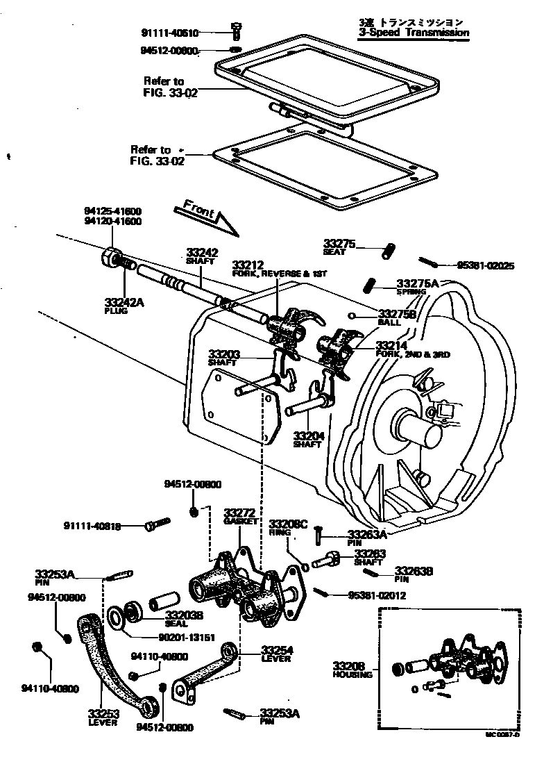
GEAR SHIFT FORK & LEVER SHAFT (MTM)

3302
33203SHAFT SUB-ASSY, SHIFT LEVER, NO.1
33203BSEAL, OIL(FOR SHIFT LEVER SHAFT)
33204SHAFT SUB-ASSY, SHIFT LEVER, NO.2
33208CRING, O(FOR SHIFT LEVER SHAFT HOUSING)
sub96710-02014
33212FORK, 1ST & REVERSE SHIFT
33214FORK, 2ND & 3RD SHIFT
33242SHAFT, GEAR SHIFT FORK, NO.1
33242APLUG, STRAIGHT SCREW (FOR SHIFT FORK SHAFT ADJUST)
33253LEVER, SHIFT OUTER, NO.1
33253APIN, LEVER LOCK (FOR SHIFT OUTER LEVER)
sub33281-16020
33254LEVER, SHIFT OUTER, NO.2
33263SHAFT, SHIFT INTERLOCK SUPPORT
33263APIN, W/HOLE (FOR SHIFT INTERLOCK SUPPORT SHAFT)
33263BPIN, STRAIGHT (FOR SHIFT INTERLOCK SUPPORT SHAFT)
33272GASKET, SHIFT LEVER SHAFT HOUSING
33275SEAT, SHIFT DETENT BALL SPRING, NO.1
33275ASPRING, COMPRESSION (FOR SHIFT DETENT BALL LOW SIDE)
33275BBALL, SHAFT DETENT
9020113151
main90201-13151
9111140610
main91111-40610
9111140818
main91111-40818
9411040800
main94110-40800
9412041600
main94120-41600
9412541600
main94125-41600
9451200600
main94512-00600
9451200800
main94512-00800
9538102012
main95381-02012
9538102025
main95381-02025
30 parts on this diagram · 4 diagrams in section