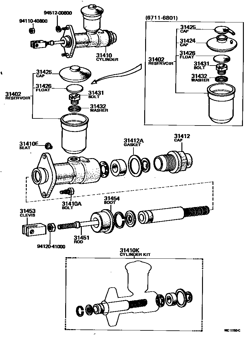
CLUTCH MASTER CYLINDER

31410CYLINDER ASSY, CLUTCH MASTER
31410ABOLT(FOR CLUTCH MASTER CYLINDER SETTING)
31410ESEAT, UNION(FOR CLUTCH MASTER CYLINDER)
31410KCYLINDER KIT, CLUTCH MASTER
31412CAP, CLUTCH MASTER CYLINDER
31412AGASKET(FOR CLUTCH MASTER CYLINDER CAP)
31424CAP, RESERVOIR(FOR CLUTCH MASTER CYLINDER)
31426FLOAT, CLUTCH MASTER CYLINDER RESERVOIR
31431BOLT, CLUTCH MASTER CYLINDER RESERVOIR SET
31432WASHER, CLUTCH RESERVOIR SET BOLT
31451ROD, CLUTCH MASTER CYLINDER PUSH
31453CLEVIS, CLUTCH MASTER CYLINDER PUSH ROD
31454BOOT, CLUTCH MASTER CYLINDER
9411040800
main94110-40800
9412041000
main94120-41000
9451200800
main94512-00800
18 parts on this diagram · 1 diagram in section