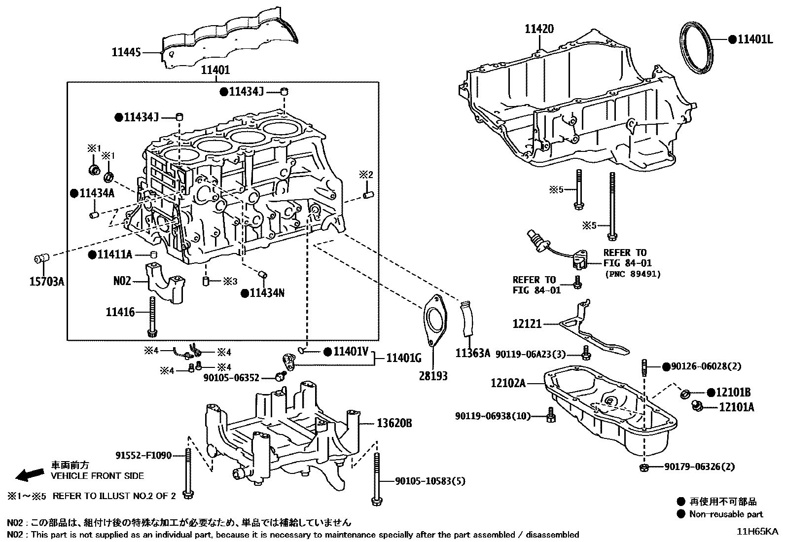
CYLINDER BLOCK

11363ACOVER, FLYWHEEL HOUSING SIDE
11401BLOCK SUB-ASSY, CYLINDER
11401GSENSOR, CRANK POSITION
11401LSEAL, ENGINE REAR OIL
11401VO-RING, CRANK POSITION SENSOR
11411APIN, RING(FOR CYLINDER BLOCK NO.1 )
11416BOLT(FOR CRANKSHAFT BEARING CAP SET)
11420CRANKCASE ASSY, STIFFENING
11434APIN, STRAIGHT(FOR TIMING GEAR COVER SET)
11434JPIN, RING (FOR CYLINDER HEAD SET)
11434NPIN, STRAIGHT(FOR WATER INLET HOUSING)
11445SPACER, CYLINDER BLOCK WATER JACKET
12101APLUG(FOR OIL PAN DRAIN)
12101BGASKET(FOR OIL PAN DRAIN PLUG)
12102APAN SUB-ASSY, OIL, NO.2
12121PLATE, OIL PAN BAFFLE, NO.1
13620BBALANCER ASSY, ENGINE
15703AVALVE SUB-ASSY, OIL NOZZLE
28193INSULATOR, STARTER HOLE
8401
9010506352
main90105-06352
9010510583
main90105-10583
9011906938
main90119-06938
9011906A23
main90119-06A23
9012606028
main90126-06028
9017906326
main90179-06326
91552F1090
main91552-F1090
27 parts on this diagram · 2 diagrams in section