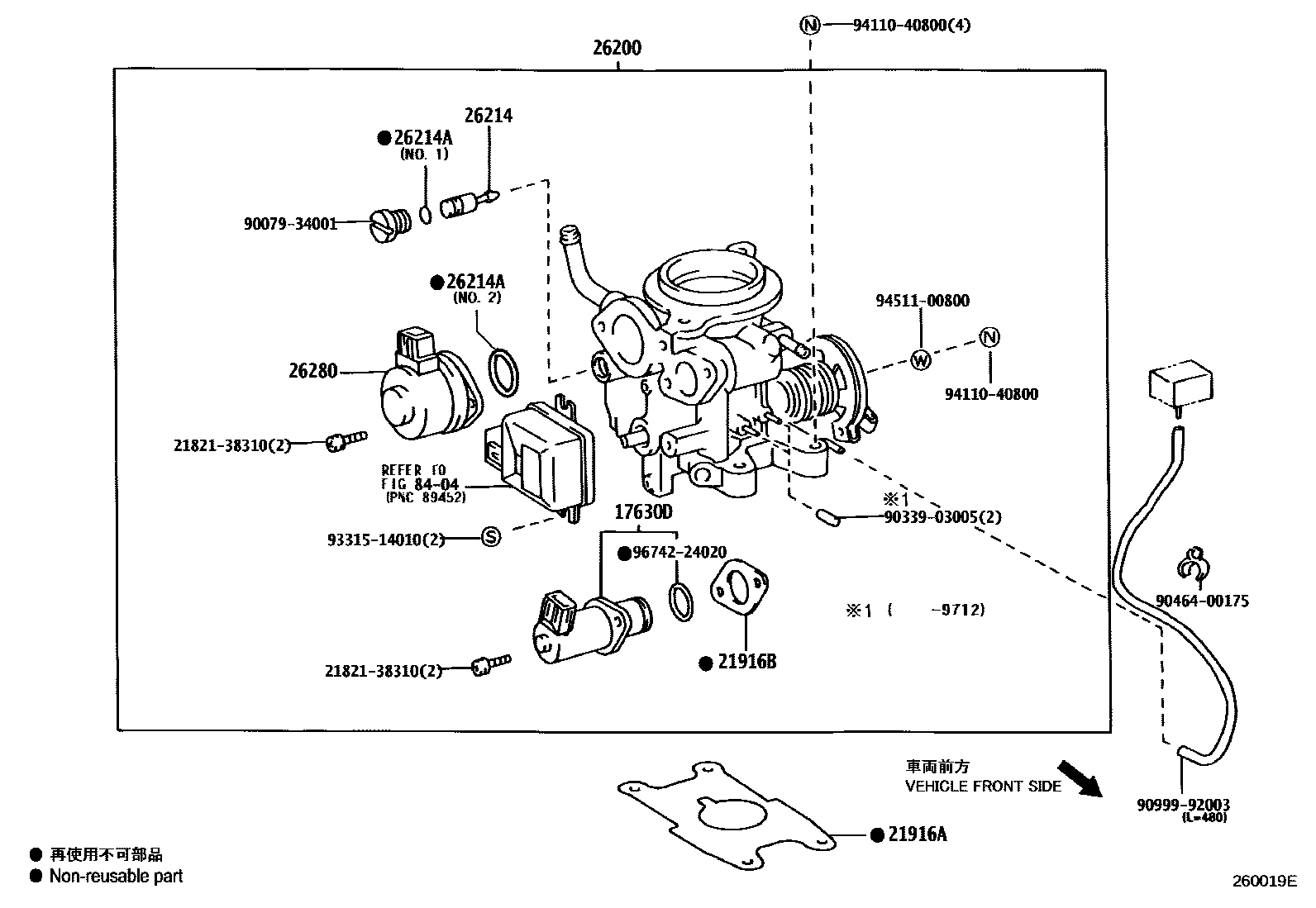
LPG CARBURETOR

17630DVALVE ASSY, AIR CONTROL
21916AGASKET, CARBURETOR, NO.2
21916BGASKET, LPG FUEL HOSE UNION
26200CARBURETOR ASSY, LPG
26214SCREW, POWER ADJUST
26214ARING, O(FOR POWER ADJUST)
26280MOTOR ASSY, AIR FUEL RATIO CONTROL
8404
2182138310SCREW, 2ND THROTTLE VALVE SET
9007934001
9033903005
9046400175
9099992003
9331514010
9411040800
9451100800
9674224020
17 parts on this diagram · 2 diagrams in section