TRANSAXLE ASSY(HEV OR BEV OR FCEV)

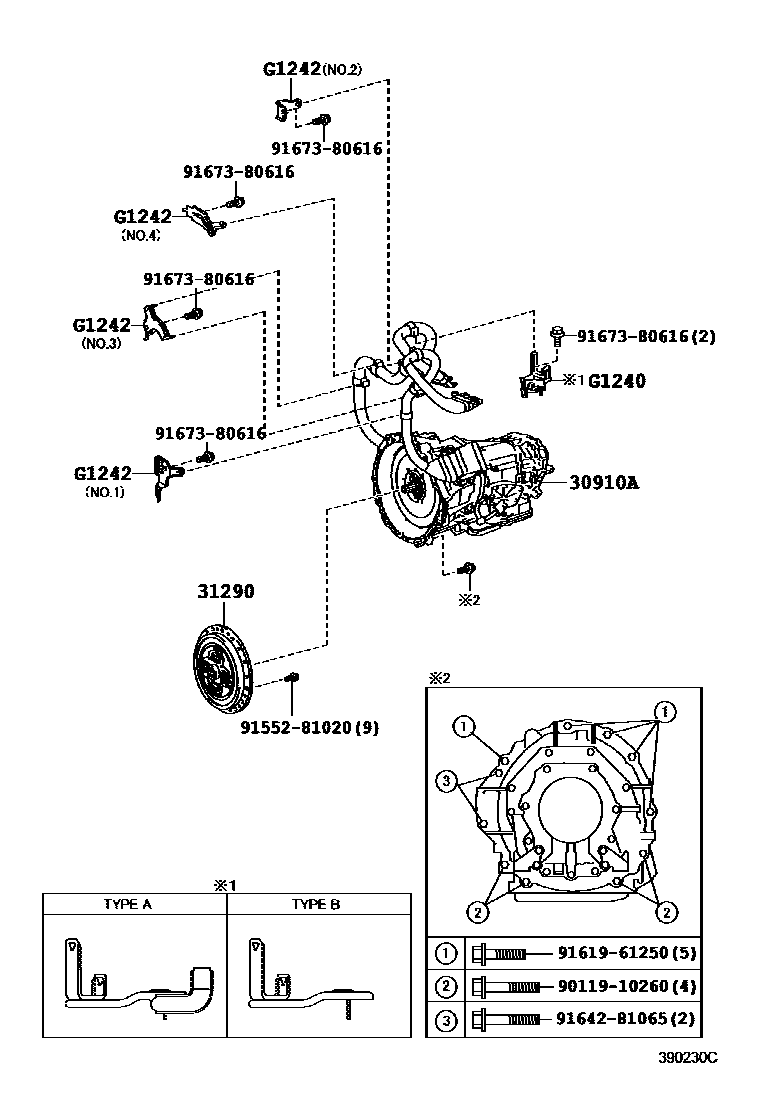
30910ATRANSMISSION ASSY, HYBRID VEHICLE
31290COVER ASSY, TRANSMISSION INPUT DAMPER
G1240BRACKET ASSY, INVERTER MOTOR CABLE
G1242BRACKET, ENGINE MOTOR CABLE CLAMP
9011910260
9155281020
9161961250
9164281065
9167380616
9 parts on this diagram · 5 diagrams in section