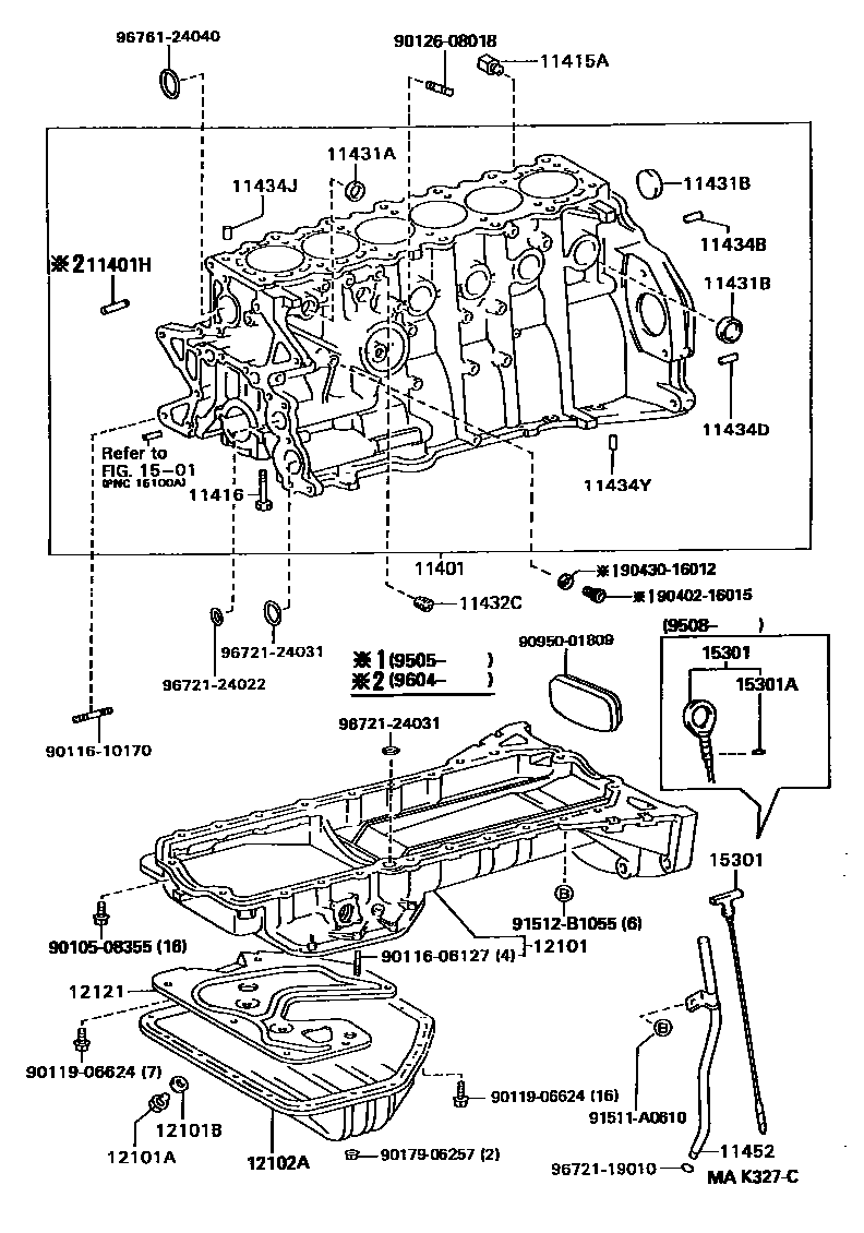
CYLINDER BLOCK

11401BLOCK SUB-ASSY, CYLINDER
sub11401-49667
sub11401-49668
sub11401-49676
sub11401-49678
sub11401-49715
sub11401-59526
11401HUNION(FOR CYLINDER BLOCK LLC DRAIN)
11415COCK SUB-ASSY, WATER DRAIN(FOR CYLINDER BLOCK)
11415APLUG, WATER DRAIN COCK(FOR CYLINDER BLOCK)
11416BOLT(FOR CRANKSHAFT BEARING CAP SET)
11431APLUG, TIGHT, NO.1(FOR CYLINDER BLOCK)
11431BPLUG, TIGHT, NO.2(FOR CYLINDER BLOCK)
11432CPLUG, W/HEAD TAPER SCREW, NO.3
11434BPIN, STRAIGHT(FOR CLUTCH HOUSING SET)
11434DPIN, STRAIGHT(FOR ENGINE REAR OIL SEAL)
11434JPIN, RING (FOR CYLINDER HEAD SET)
11434YPIN, STRAIGHT(FOR OIL PAN)
12101PAN SUB-ASSY, OIL
sub12111-46100
sub12111-46110
sub12111-46100
sub12111-46110
sub12111-46102
sub12111-46112
12121PLATE, OIL PAN BAFFLE, NO.1
1501
15301ARING, O(FOR OIL LEVEL GAGE)
9010508355
main90105-08355
9011606127
main90116-06127
9011610170
main90116-10170
9011906624
main90119-06624
9012608018
main90126-08018
9017906257
main90179-06257
9040216015
main90402-16015
9043016012
main90430-16012
9095001809
main90950-01809
91511A0610
main91511-A0610
91512B1055
main91512-B1055
9672119010
main96721-19010
9672124022
main96721-24022
9672124031
main96721-24031
9676124040
main96761-24040
36 parts on this diagram · 3 diagrams in section