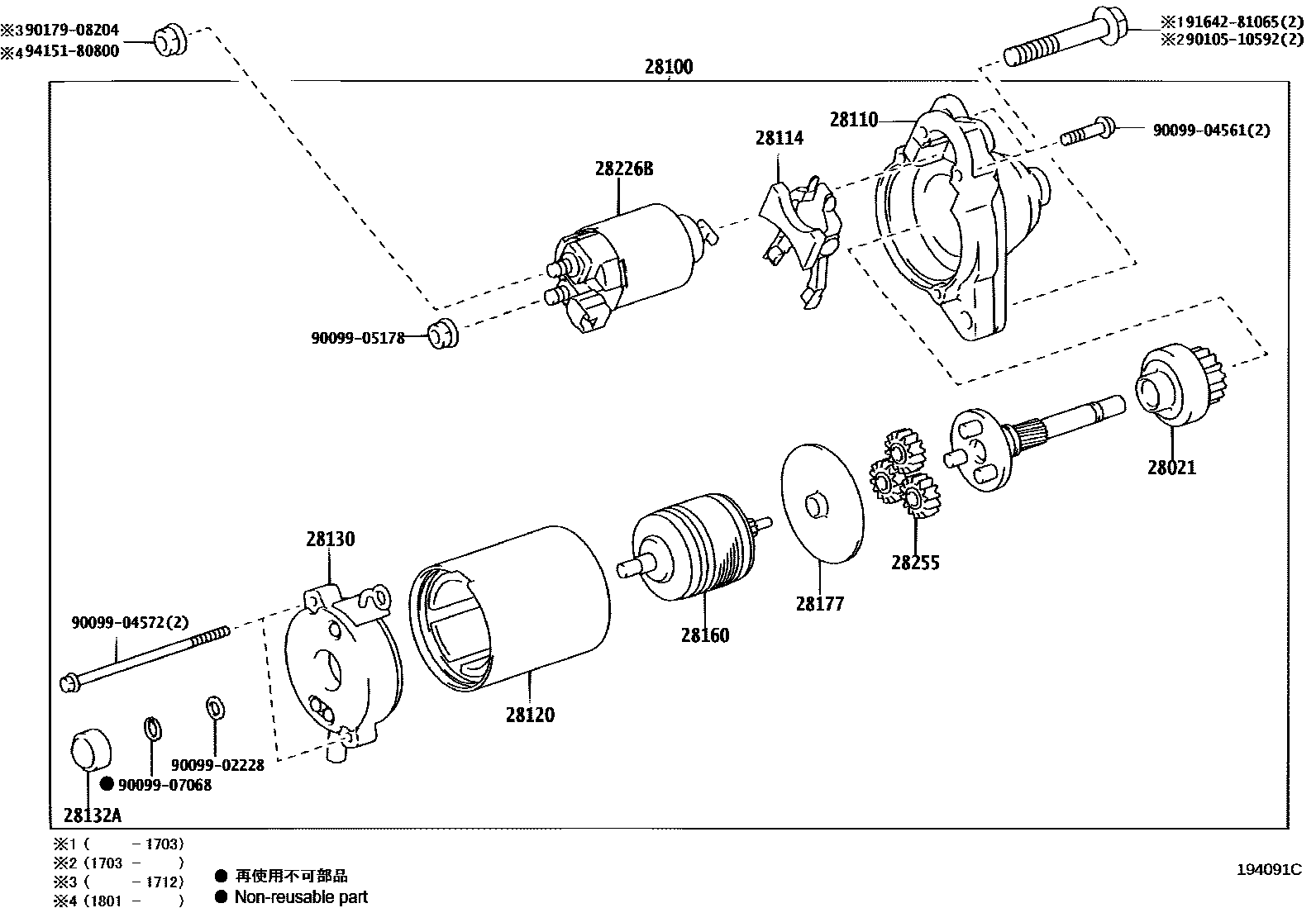
STARTER

28021CLUTCH SUB-ASSY, STARTER CENTER BEARING
28100STARTER ASSY
28110HOUSING ASSY, STARTER DRIVE
28114PIN, STARTER DRIVE LEVER SET
28120YOKE ASSY, STARTER
28130FRAME ASSY, STARTER COMMUTATOR END
28132ACOVER, STARTER COMMUTATOR END FRAME
28160ARMATURE ASSY, STARTER
28177PLATE(FOR STARTER ARMATURE)
28226BSTARTER KIT, REPAIR SERVICE
28255GEAR, PLANET
9009902228
main90099-02228
9009904561
main90099-04561
9009904572
main90099-04572
9009905178
main90099-05178
9009907068
main90099-07068
9010510592
main90105-10592
9017908204
main90179-08204
9164281065
main91642-81065
9415180800
main94151-80800
20 parts on this diagram · 2 diagrams in section