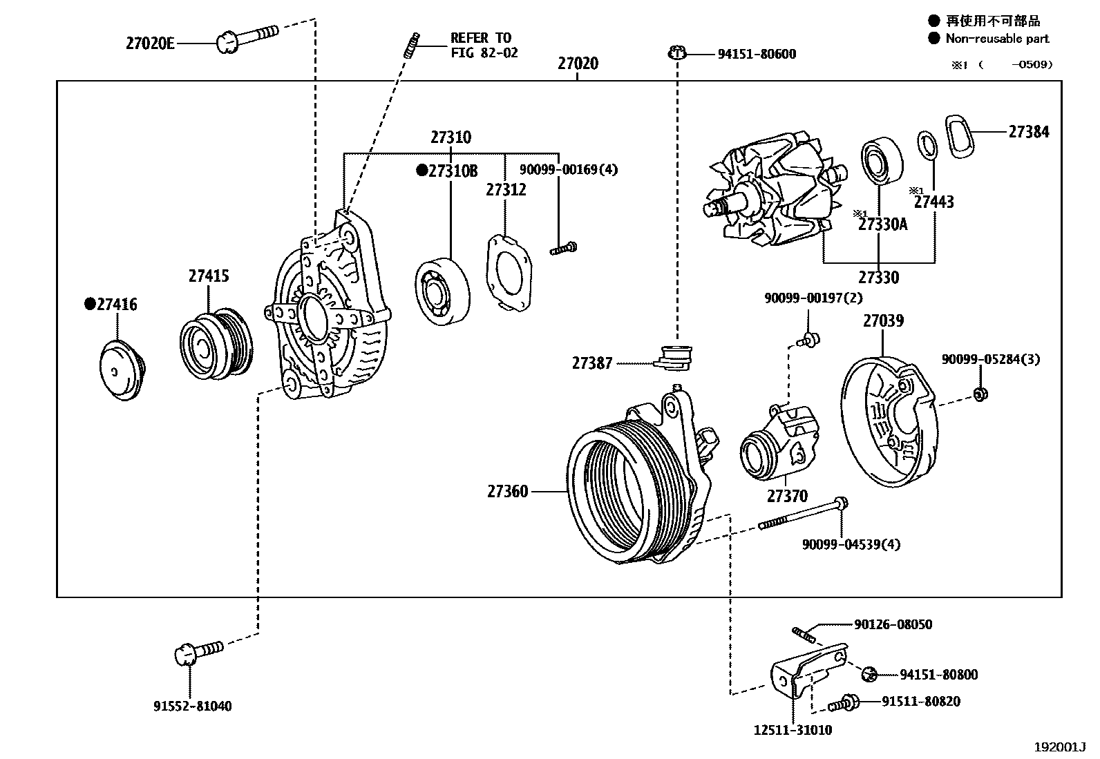
ALTERNATOR

27020EBOLT(FOR ALTERNATOR)
27039COVER, ALTERNATOR REAR END
27310FRAME ASSY, DRIVE END, ALTERNATOR
27312PLATE, RETAINER
27330ABEARING(FOR ALTERNATOR ROTOR)
27370HOLDER ASSY, ALTERNATOR BRUSH
27384WASHER
27387INSULATOR, TERMINAL
27415PULLEY, ALTERNATOR W/CLUTCH
27416CAP, ALTERNATOR PULLEY
27443COVER, ALTERNATOR BEARING
8202
1251131010BRACKET, ALTERNATOR, NO.1
main12511-31010
9009900169
main90099-00169
9009900197
main90099-00197
9009904539
main90099-04539
9009905284
main90099-05284
9012608050
main90126-08050
9151180820
main91511-80820
9155281040
main91552-81040
9415180600
main94151-80600
9415180800
main94151-80800
26 parts on this diagram · 2 diagrams in section