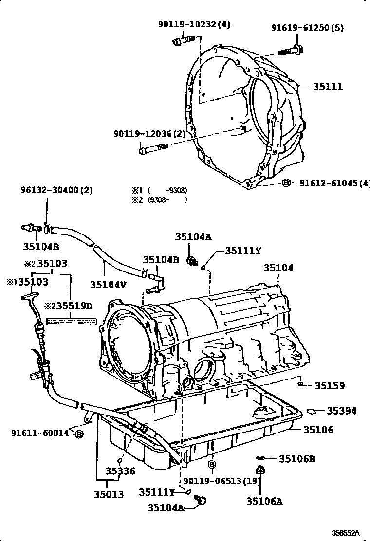
TRANSMISSION CASE & OIL PAN (ATM)

35013TUBE SUB-ASSY, TRANSMISSION OIL FILLER
35104APLUG, AUTOMATIC TRANSMISSION CASE
35104BPLUG, BREATHER, NO.1 (ATM)
MISSION CASE SIDE
BODY SIDE
35104VHOSE (FOR BREATHER PLUG)
35106PAN SUB-ASSY, AUTOMATIC TRANSMISSION OIL
BLACK
SILVER
BLACK
BLACK
BLACK
BLACK
SILVER
BLACK
SILVER
SILVER
SILVER
35106BGASKET, DRAIN PLUG (ATM)
35111HOUSING, AUTOMATIC TRANSMISSION
35111YRING, O (FOR AUTOMATIC TRANSMISSION CASE)
35159GASKET, BRAKE DRUM
35336RING, O (FOR TRANSMISSION OIL FILLER TUBE)
35394MAGNET, OIL CLEANER (FOR TRANSMISSION)
35519DLABEL, AUTOMATIC TRANSMISSION INFORMATION
9011906513
main90119-06513
9011910232
main90119-10232
9011912036
main90119-12036
9161160814
main91611-60814
9161261045
main91612-61045
9161961250
main91619-61250
9613230400
main96132-30400
22 parts on this diagram · 5 diagrams in section