HEATING & AIR CONDITIONING - CONTROL & AIR DUCT
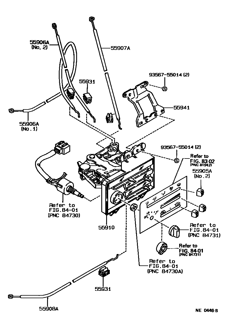
55905AKNOB, HEATER CONTROL
main55905-30150iGS131,MS135,137..4HC;GS131,MS135,137..SED..4FC;GS130,LS130..(SED,WG)..(ROY,SAL,SALEX)198809-198908 NO.1
main55905-30170×3iYS130;GS130,136,LS130,136..STD198709-199110 NO.2
55906ACABLE SUB-ASSY, DEFROSTER DAMPER CONTROL
main55906-30100iYS130;GS130,136,LS13#..STD198709-198908 main55906-30101iYS130;GS130,136,LS130,136..STD198908-199110 main55906-30110iYS130;GS130,136,LS13#..STD198709-198908 main55906-30111iYS130;GS130,136,LS130,136..STD198908-199110 55907ACABLE SUB-ASSY, WATER VALVE CONTROL
main55907-30170iYS130;GS130,136,LS130,136..STD198709-199110 55908ACABLE SUB-ASSY, AIR INLET DAMPER CONTROL
main55908-30070iYS130;GS130,136,LS130,136..STD198709-199110 55910CONTROL ASSY, HEATER OR BOOST VENTILATOR
main55910-30180iYS130;GS130,136,LS13#..STD198709-198908 main55910-30181iYS130;GS130,136,LS130,136..STD198908-199110 55931CLAMP, HEATER CONTROL WIRE
main55933-10010×4iYS130;GS130,136,LS13#..STD198709-198908 55941BRACKET, HEATER CONTROL
main55938-30020iYS130;GS130,136,LS130,136..STD198709-199110 10 parts on this diagram · 8 diagrams in section
HEATING & AIR CONDITIONING - CONTROL & AIR DUCT — Toyota Parts Diagram with OEM Numbers & Prices | EPC Data