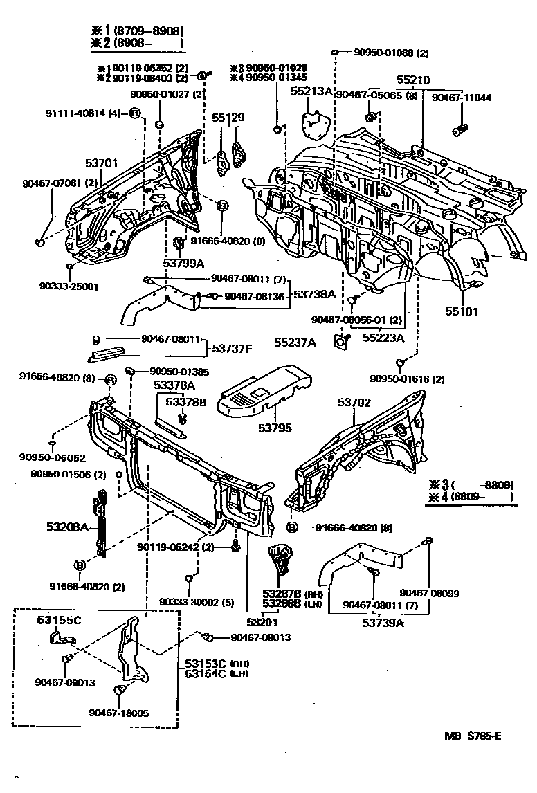
FRONT FENDER APRON & DASH PANEL

53153CGUIDE, RADIATOR GRILLE SIDE AIR, RH
53154CGUIDE, RADIATOR GRILLE SIDE AIR, LH
53155CSEAL, RADIATOR GRILLE, NO.1
53201SUPPORT SUB-ASSY, RADIATOR
main53201-30911iGS130,131,JZS13#,LS130,131,MS13#,UZS131..ROY,ROYG,SAL,SALEX,SDX,SPE,SSL198709-199110
53208ASUPPORT SUB-ASSY, HOOD LOCK
53287BEXTENSION, RADIATOR SUPPORT, RH
53288BEXTENSION, RADIATOR SUPPORT, LH
53378ASEAL, HOOD AIR INTAKE DUCT
main53378-30030iGS13#,JZS13#,LS13#,MS135,137,UZS131,YS130..DSL,EFI,HTWC,LPG,SPC,TD,TDE,TWC198709-199110
53378BCLIP(FOR HOOD AIR INTAKE DUCT SEAL)
main90467-08072×3iGS13#,JZS13#,LS13#,MS135,137,UZS131,YS130..DSL,EFI,HTWC,LPG,SPC,TD,TDE,TWC198712-199110
53702APRON SUB-ASSY, FRONT FENDER, LH
53737FSEAL, FRONT FENDER TO FRAME, NO.2
53738ASEAL, FRONT FENDER APRON, REAR RH
53739ASEAL, FRONT FENDER APRON, REAR LH
53795COVER, HEADLAMP WIRE HARNESS HOLE, RH
53799ACOVER, STEERING GEAR BOX SERVICE HOLE
55101PANEL SUB-ASSY, DASH
sub83710-30831
sub83710-30751
sub83710-30751
sub83710-30771
sub83710-30751
sub83710-30751
sub83710-30880
sub83710-30870
sub83710-30870
55129COVER, DASH PANEL HOLE
55210INSULATOR ASSY, DASH PANEL
55213APAD, DASH PANEL SILENCER
55223AINSULATOR, DASH PANEL, OUTER
main55223-30070iJZS13#,LS13#,MS135,137,UZS131;GS130,131..(ROY,SAL,SALEX,SSL)..(HTWC,SPC,TWC)198709-199110
55237APLATE, DASH PANEL INSULATOR, NO.1
main55237-30010iJZS13#,LS13#,MS135,137,UZS131;GS130,131..(ROY,SAL,SALEX,SSL)..(HTWC,SPC,TWC)198709-199110
9011906242
main90119-06242
9011906352
main90119-06352
9011906403
main90119-06403
9033325001
main90333-25001
9033330002
main90333-30002
9046705065
main90467-05065
9046707081
main90467-07081
9046708011
main90467-08011
904670805601
main90467-0805601
9046708099
main90467-08099
9046708136
main90467-08136
9046709013
main90467-09013
9046711044
main90467-11044
9046718005
main90467-18005
9095001027
main90950-01027
9095001029
main90950-01029
9095001088
main90950-01088
9095001345
main90950-01345
9095001385
main90950-01385
9095001506
main90950-01506
9095001616
main90950-01616
9095006052
main90950-06052
9111140814
main91111-40814
9166640820
main91666-40820
46 parts on this diagram · 1 diagram in section