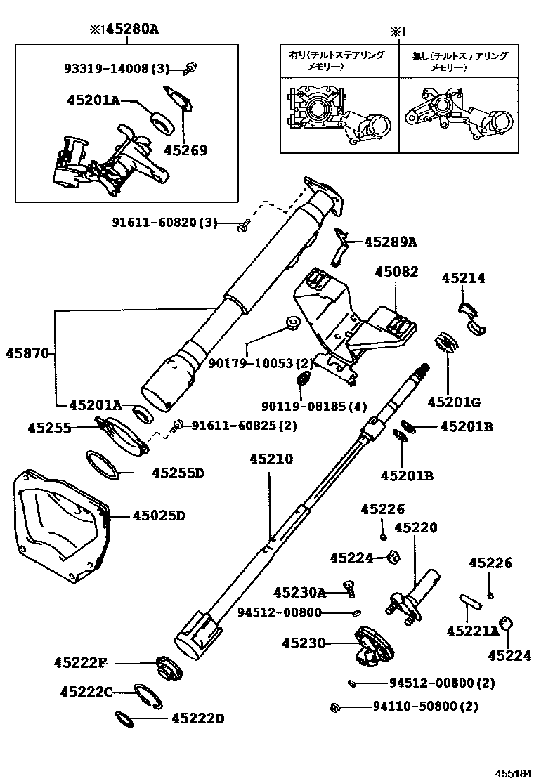
STEERING COLUMN & SHAFT

45082BRACKET SUB-ASSY, BREAK AWAY W/CAPSULE
main45082-30110iGS130..WG..SDX;GS130..(4FC,4H)..SDX..TWLPG;GS136,LS136,YS130..4FC,4H,5F;GS130,LS130..(4FC,4H,5F)..(DLX,STD)198709-199110
main45082-30120iGS131..4FC..ROY..SPC;GS130..WG..4FC..(ROY,SALEX);GS130..(HT,SED)..(4FC,5F)..(SAL,SALEX,SDX,SPE);GS131,LS130,MS135..(4FC,5F)..(ROY,SALEX,SDX,SPE,SSL)..(DSL,EFI,TD,TD198709-199110
main45082-30120iGS130,LS130..(4FC,5F)..DLX;GS130,136,LS136..(V,WG)..(4FC,5F)..(DLX,SDX)198709-199110
45201ABEARING(FOR STEERING MAIN SHAFT)
main90363-18038iLS130..DLX,STD;GS130..4FC..TWLPG;GS136,LS136,MS130,YS130;GS130..WG..(4FC,5F)..SDX;GS130..(4FC,5F)..(DLX,STD);GS130,131,JZS131,MS135,137,UZS131..4H,4HC198709-199110
main90363-28001iGS131..4FC..ROY..SPC;GS130..WG..4FC..(ROY,SALEX);GS130..(HT,SED)..(4FC,5F)..(SAL,SALEX,SDX,SPE);GS131,LS130,MS135..(4FC,5F)..(ROY,SALEX,SDX,SPE,SSL)..(DSL,EFI,TD,TD198709-199110
45201BRING, SHAFT SNAP(FOR STEERING MAIN SHAFT)
main90520-17042iLS130..DLX,STD;GS130..4FC..TWLPG;GS136,LS136,MS130,YS130;GS130..WG..(4FC,5F)..SDX;GS130..(4FC,5F)..(DLX,STD);GS130,131,JZS131,MS135,137,UZS131..4H,4HC198709-199110
main90520-17196iLS130..DLX,STD;GS130..4FC..TWLPG;GS136,LS136,MS130,YS130;GS130..WG..(4FC,5F)..SDX;GS130..(4FC,5F)..(DLX,STD);GS130,131,JZS131,MS135,137,UZS131..4H,4HC198709-199110
45201GSPRING, COMPRESSION(FOR STEERING MAIN SHAFT)
main90501-29388iGS130..WG..SDX;GS130..4FC..TWLPG;GS130,LS130..(4H,4HC,5F)..(DLX,SALEX,STD);GS130,131..(HT,SED)..4FC..(DLX,ROY)..(HTWC,SPC);GS130,131..(HT,SED)..(4H,4HC)..(ROY,SAL,S198709-199110
main90501-29388iLS130..DLX,STD;GS136,LS136,MS130,YS130;GS130..WG..(4FC,5F)..SDX;GS130..(4FC,5F)..(DLX,STD);GS130,131,MS135,137..4H,4HC198709-198908
main90501-45011iGS13#,JZS13#,LS13#,MS135..(4FC,5F)..(DLX,ROY,SAL,SALEX,SDX,SPE,SSL)..(DSL,EFI,HTWC,SPC,TD,TDE,TWC)198709-199110
45210SHAFT ASSY, STEERING MAIN
main45210-30060iGS130,LS130..(4FC,5F)..DLX;GS130,136,LS136..(V,WG)..(4FC,5F)..(DLX,SDX)198709-199110
sub45210-30061
main45210-30060iGS130..WG..4FC..SALEX;GS130..(HT,SED)..(4FC,5F)..(SAL,SALEX,SDX,SPE);GS131,LS130..(4FC,5F)..(SALEX,SDX,SPE,SSL)..(DSL,EFI,TD,TDE)198709-199110
sub45210-30061
sub45210-30061
main45210-30070iGS130,131,LS130..(HT,SED)..(4FC,5F)..(ROY,SAL,SALEX,SSL);GS130,JZS13#,LS131,MS135..(4FC,5F)..(ROY,SALEX,SSL)..(SPC,TD,TDE,TWC)198709-199110
sub45210-30072
main45210-30090iLS130..DLX,STD;GS136,LS136,MS130,YS130;GS130,131,MS135..4H,4HC;GS130..WG..(4FC,5F)..SDX;GS130..(4FC,5F)..(DLX,STD)198709-199110
45214RETAINER, MAIN SHAFT SPRING
45220SHAFT ASSY, STEERING INTERMEDIATE
main45220-30040iGS13#,JZS13#,LS13#,MS135,137,UZS131..(4FC,5F)..(DLX,ROY,ROYG,SAL,SALEX,SDX,SPE,SSL)..(DSL,EFI,HTWC,SPC,TD,TDE,TWC)198709-199110
main45220-30040iLS130..DLX,STD;GS130..4FC..TWLPG;GS136,LS136,MS130,YS130;GS130..WG..(4FC,5F)..SDX;GS130..(4FC,5F)..(DLX,STD);GS130,131,JZS131,MS135,137,UZS131..4H,4HC198709-199110
45221APIN(FOR STEERING INTERMEDIATE SHAFT)
45222CRING, HOLE SNAP(FOR DUST COVER)
45222DRING, O(FOR DUST COVER)
45222FCOVER, DUST
45224BLOCK, BEARING(FOR STEERING FLEXIBLE COUPLING)
45226ANTI-RATTLE(FOR STEERING FLEXIBLE COUPLING)
sub45226-30021
45230ABOLT, HEXAGON(FOR STEERING FLEXIBLE COPLING SET)
45255PLATE, STEERING COLUMN HOLE COVER
45255DRING, O(FOR STEERING COLUMN HOLE COVER PLATE)
45269RETAINER, MAIN SHAFT BEARING
main45269-10010iLS130..DLX,STD;GS130..WG..5F..HTWC;GS130..5F..(DLX,STD);GS136,LS136,MS130,YS130;GS130,131,MS135,137..4H,4HC;GS130..WG..(4FC,5F)..SDX..EFI198709-199110
45280ABRACKET ASSY, STEERING COLUMN, UPPER
sub45280-30470
main45280-30430iGS130,LS130..(4FC,5F)..DLX;GS130,136,LS136..(V,WG)..(4FC,5F)..(DLX,SDX)198709-199110
sub45280-30510
sub45280-30580
sub33501-30550
sub45280-30550
45289ASUPPORT, STEERING COLUMN COVER
main45289-30050iLS130..DLX,STD;GS130..4FC..TWLPG;GS136,LS136,MS130,YS130;GS130..WG..(4FC,5F)..SDX;GS130..(4FC,5F)..(DLX,STD);GS130,131,JZS131,MS135,137,UZS131..4H,4HC198709-199110
45870TUBE ASSY, STEERING COLUMN
main45870-30170iGS130..WG..SDX;GS130..4FC..DLX;GS136,LS136,YS130;GS130..4FC..TWLPG;GS130,LS130..(4H,4HC,5F)..(DLX,SALEX,STD);GS130,131,JZS131..(HT,SED)..(4H,4HC)..(ROY,SAL,SALEX,SD198709-199110
main45870-30190iGS130..WG..4FC..(ROY,SALEX);GS130..(HT,SED)..(4FC,5F)..(SAL,SALEX,SDX,SPE);GS131,LS130,MS135..(4FC,5F)..(ROY,SALEX,SDX,SPE,SSL)198709-198908
sub45870-30230
main45870-30190iGS130,LS130..(4FC,5F)..DLX;GS130,136,LS136..(V,WG)..(4FC,5F)..(DLX,SDX)198709-198908
sub45870-30230
sub45870-30240
main45870-30230iGS130..4FC..(ROY,SALEX);GS130..SED..(4FC,5F)..SDX..HTWC;GS131,JZS13#,LS130,131..(4FC,5F)..(ROY,SAL,SALEX,SDX,SPE,SSL)198908-199110
main45870-30230iGS130..4FC..(ROY,SALEX);GS130..SED..(4FC,5F)..SDX..HTWC;GS131,JZS13#,LS130,131..(4FC,5F)..(ROY,SAL,SALEX,SDX,SPE,SSL)198908-199110
9011908185
main90119-08185
9017910053
main90179-10053
9161160820
main91611-60820
9161160825
main91611-60825
9331914008
main93319-14008
9411050800
main94110-50800
9451200800
main94512-00800
29 parts on this diagram · 9 diagrams in section