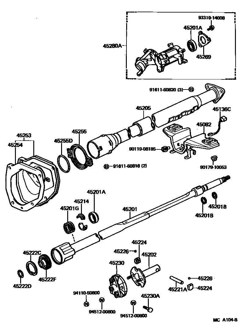
STEERING COLUMN & SHAFT

45082BRACKET SUB-ASSY, BREAK AWAY W/CAPSULE
main45082-30050iLS120..STD;GS120..5F..STD;LS120..4H..DLX;MS120,YS120..LPG;GS120,126,LS126..4H198308-198708
W/TILT STEERING
W/*MS,G SPEC
45136CCABLE, BOND(FOR HORN EARTH)
45201SHAFT SUB-ASSY, STEERING MAIN
main45210-30050iLS120..DLX,STD;GS120..4HC..SDX;GS120..(4FC,5F)..(DLX,STD);GS126,LS126,MS120,YS120..DSL,EFI,LPG;GS120,121,MS123,125..(4H,4HC)..(DLX,ROY,SAL,STD)198308-198708
W/TILT STEERING
sub45210-30061
sub45210-30061
sub45210-30072
45201ABEARING(FOR STEERING MAIN SHAFT)
UPR
CTR
LWR
45201BRING, SHAFT SNAP(FOR STEERING MAIN SHAFT)
main90520-17042iLS120..DLX,STD;GS120..4HC..SDX;GS120..(4FC,5F)..(DLX,STD);GS126,LS126,MS120,YS120..DSL,EFI,LPG;GS120,121,MS123,125..(4H,4HC)..(DLX,ROY,SAL,STD)198308-198708
45201GSPRING, COMPRESSION(FOR STEERING MAIN SHAFT)
LWR
UPR
45202SHAFT SUB-ASSY, STEERING INTERMEDIATE
45205TUBE SUB-ASSY, STEERING COLUMN
W/TILT STEERING
W/*MS,G SPEC
45214RETAINER, MAIN SHAFT SPRING
45221APIN(FOR STEERING INTERMEDIATE SHAFT)
45222CRING, HOLE SNAP(FOR DUST COVER)
45222DRING, O(FOR DUST COVER)
45222FCOVER, DUST
W/*MS,G SPEC
45224BLOCK, BEARING(FOR STEERING FLEXIBLE COUPLING)
45226ANTI-RATTLE(FOR STEERING FLEXIBLE COUPLING)
sub45226-30021
45230COUPLING ASSY, FLEXIBLE
45230ABOLT, HEXAGON(FOR STEERING FLEXIBLE COPLING SET)
45253COVER, STEERING COLUMN HOLE
45254SHIELD, STEERING COLUMN HOLE
45255PLATE, STEERING COLUMN HOLE COVER
45255DRING, O(FOR STEERING COLUMN HOLE COVER PLATE)
45269RETAINER, MAIN SHAFT BEARING
main45269-10010iLS120..DLX,STD;GS120..4HC..SDX;GS120..(4FC,5F)..(DLX,STD);GS126,LS126,MS120,YS120..DSL,EFI,LPG;GS120,121,MS123,125..(4H,4HC)..(DLX,ROY,SAL,STD)198308-198708
45280ABRACKET ASSY, STEERING COLUMN, UPPER
W/TILT STEERING
GRAND SURF
9011908185
main90119-08185
9017910053
main90179-10053
9161160816
main91611-60816
9161160820
main91611-60820
9331914008
main93319-14008
9411050800
main94110-50800
9451200800
main94512-00800
30 parts on this diagram · 7 diagrams in section