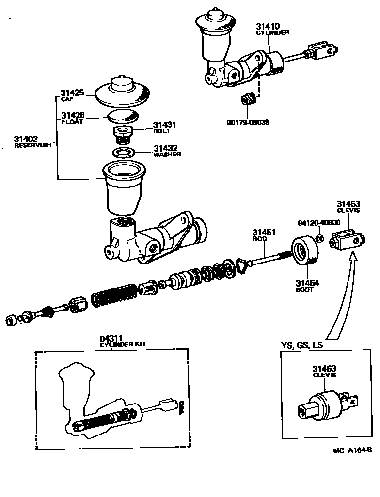
CLUTCH MASTER CYLINDER

31402RESERVOIR SUB-ASSY, CLUTCH MASTER CYLINDER
31410CYLINDER ASSY, CLUTCH MASTER
sub31410-30181
sub31410-30182
sub31410-30201
sub31410-30202
sub31410-30203
sub31410-30204
sub31410-30212
sub31410-30213
sub31410-30214
31425CAP, CLUTCH MASTER CYLINDER RESERVOIR FILLER
31426FLOAT, CLUTCH MASTER CYLINDER RESERVOIR
31431BOLT, CLUTCH MASTER CYLINDER RESERVOIR SET
31432WASHER, CLUTCH RESERVOIR SET BOLT
31451ROD, CLUTCH MASTER CYLINDER PUSH
31454BOOT, CLUTCH MASTER CYLINDER
9017908038
main90179-08038
9412040800
main94120-40800
12 parts on this diagram · 1 diagram in section