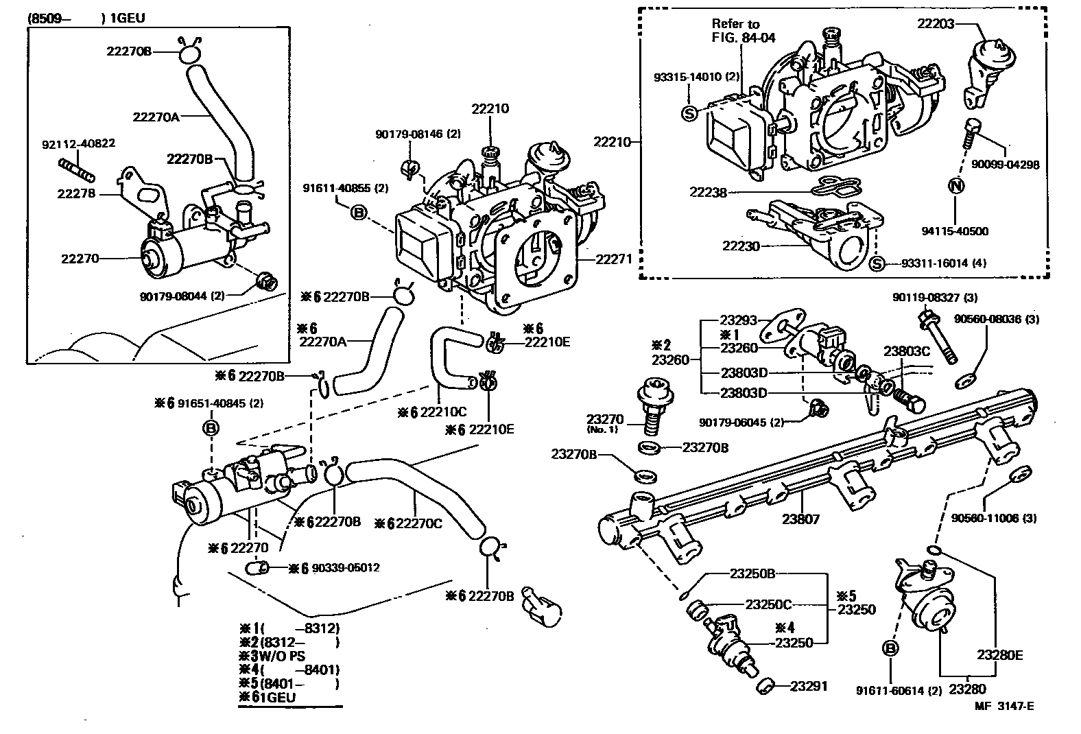
FUEL INJECTION SYSTEM

22203DASH POT SUB-ASSY(FOR THROTTLE BODY)
22210CHOSE, WATER BY-PASS, NO.1
AAV TO EACV
EACV TO THROTTLE BODY
22210ECLAMP OR CLIP, HOSE(FOR WATER BY-PASS HOSE, NO.1)
sub96135-51300
22230VALVE ASSY, AUXILIARY AIR
22238GASKET, AUXILIARY AIR VALVE
22270VALVE ASSY, IDLE SPEED CONTROL(FOR THLOTTLE BODY)
22270AHOSE, AIR, NO.1(FOR IDLE SPEED CONTROL VALVE)
AIR CONNECTOR SIDE
22270CHOSE, AIR, NO.2(FOR IDLE SPEED CONTROL VALVE)
23250BRING, O(FOR FUEL INJECTOR)
23250CGROMMET(FOR FUEL INJECTOR)
23260INJECTOR ASSY, COLD START FUEL
sub23260-49065
sub23260-49056
sub23260-49066
sub23260-79025
sub23260-79035
sub23260-79036
sub23260-79076
23270BGASKET(FOR PULSATION DAMPER HOSE)
DELIVERY PIPE SIDE
ID=14.2
ID=17.3
23280ERING, O(FOR FUEL PRESSURE REGULATOR)
23291INSULATOR, INJECTOR VIBRATION
23803CGASKET(NOZZLE LEKAGE PIPE NO.3)
23803DBOLT, UNION(FOR NOZZLE LEKAGE PIPE NO.3)
23807PIPE SUB-ASSY, FUEL DELIVERY
8404
9009904298
main90099-04298
9011908327
main90119-08327
9017906045
main90179-06045
9017908044
main90179-08044
9017908146
main90179-08146
9033905012
main90339-05012
9056008036
main90560-08036
9056011006
main90560-11006
9161140855
main91611-40855
9161160614
main91611-60614
9165140845
main91651-40845
9211240822
main92112-40822
9331116014
main93311-16014
9331514010
main93315-14010
9411540500
main94115-40500
41 parts on this diagram · 11 diagrams in section