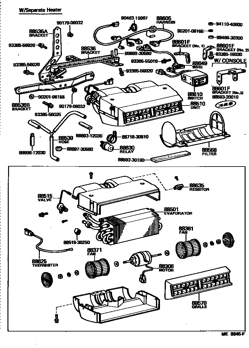
HEATING & AIR CONDITIONING - COOLER UNIT

88306MOTOR SUB-ASSY, COOLER BLOWER, NO.1
main88550-30310iGS110,LS111,MS110,112..(HT,SED)..(BTP,CTE,DLX,ROY,SAL,SDX,SPE)..(CBR,EFI,TBO,TD,TDE,TWC)197909-198307
RR COOLER
sub88550-91701
W/DASH TYPE COOLER
88361FAN, COOLER BLOWER, NO.1
W/DASH TYPE COOLER
main88541-30270iGS110,LS111,MS110,112..(HT,SED)..(BTP,CTE,DLX,ROY,SAL,SDX,SPE)..(CBR,EFI,TBO,TD,TDE,TWC)197909-198307
RR COOLER
88371FAN, COOLER BLOWER, NO.2
W/DASH TYPE COOLER
88501EVAPORATOR SUB-ASSY, COOLER, NO.1
main88501-30540iGS110,LS111,MS110,112..(HT,SED)..(BTP,CTE,DLX,ROY,SAL,SDX,SPE)..(CBR,EFI,TBO,TD,TDE,TWC)197909-198307
RR COOLER
W/DASH TYPE COOLER
88510UNIT ASSY, COOLER
FR
RR
RR
FR
FR
W/DASH TYPE COOLER
RR
RR
RR
FR
88515VALVE, COOLER EXPANSION
main88515-30310iGS110,LS111,MS110,112..(HT,SED)..(BTP,CTE,DLX,ROY,SAL,SDX,SPE)..(CBR,EFI,TBO,TD,TDE,TWC)197909-198307
RR COOLER
sub88515-22071
W/DASH TYPE COOLER
88536BRACKET, COOLING UNIT, NO.1
main88536-30660iGS110,LS111,MS110,112..(HT,SED)..(BTP,CTE,DLX,ROY,SAL,SDX,SPE)..(CBR,EFI,TBO,TD,TDE,TWC)197909-198307
RR COOLER
W/DASH TYPE COOLER
W/DASH TYPE COOLER
88536ABRACKET, COOLING UNIT, NO.2
W/DASH TYPE COOLER
W/DASH TYPE COOLER
88536BBRACKET, COOLING UNIT, NO.3
W/DASH TYPE COOLER
88539HOSE, COOLER UNIT DRAIN, NO.1
W/DASH TYPE COOLER
W/DASH TYPE COOLER
88568FILTER, COOLER UNIT COVER
W/DASH TYPE COOLER
88570GRILLE SUB-ASSY, COOLER AIR OUTLET
W/DASH TYPE COOLER
main88570-30610iGS110,LS111,MS110,112..(HT,SED)..(BTP,CTE,DLX,SAL,SDX,SPE)..(CBR,EFI,TBO,TD,TDE)197909-198307
DARK WINE,RED/MAROON,TRIM3#
GRAY,GRAY,TRIM1#
BLUE,BLUE,TRIM8#
GREIGE,BEIGE,TRIM4#
BEIGE,BEIGE,TRIM4#
88601FBRACKET, COOLER CONTROL SWITCH
NO.1,W/DASH TYPE COOLER
NO.2,W/DASH TYPE COOLER
NO.3,W/DASH TYPE COOLER
88605HARNESS SUB-ASSY, COOLER WIRING, NO.1
W/*AAC
RR COOLER
W/DASH TYPE COOLER
W/DASH TYPE COOLER
RR COOLER
W/DASH TYPE COOLER
W/*MPAAC
W/*MPAAC
88610SWITCH ASSY, COOLER CONTROL
W/DASH TYPE COOLER
AIR-CONDITIONER CUT SWITCH
W/DASH TYPE COOLER
88625THERMISTOR, COOLER, NO.1
W/DASH TYPE COOLER
88630RELAY ASSY, COOLER
W/*AAC OR *MPAAC
88635RESISTOR, COOLER UNIT BLOWER
main87138-30290iGS110,LS111,MS110,112..(HT,SED)..(BTP,CTE,DLX,ROY,SAL,SDX,SPE)..(CBR,EFI,TBO,TD,TDE,TWC)197909-198307
RR COOLER
W/DASH TYPE COOLER
sub88635-0B010
88649WIRING, COOLER, NO.2
W/DASH TYPE COOLER
8846930300SWITCH, PRESSURE CONTROL
main88469-30300
8851930250HOLDER, REMOTE BULB
main88519-30250
8859230190RETAINER (FOR COOLER UNIT BRACKET)
main88592-30190
8859320010SWITCH, COOLER ENGINE THROTTLE
main88593-20010
8871830810PIPE, COOLER REFRIGERANT SUCTION, NO.2
main88718-30810
8889312030COLLAR (FOR COOLER IDLER PULLEY)
main88893-12030
8889612030PLATE, COOLER AIR OUTLET GRILLE ORNAMENT
main88896-12030
8889730580VALVE, COOLER MAGNET
main88897-30580
8889930560COVER, EVAPORATOR
main88899-30560
9017906032
main90179-06032
9020106155
main90201-06155
9046315067
main90463-15067
9338516030
main93385-16030
9338555010
main93385-55010
9338556020
main93385-56020
9338556025
main93385-56025
9411040600
main94110-40600
36 parts on this diagram · 8 diagrams in section