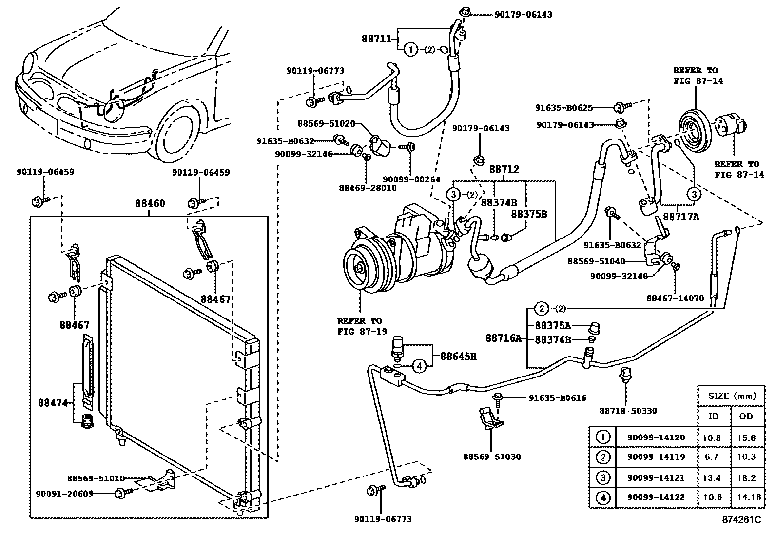
HEATING & AIR CONDITIONING - COOLER PIPING

8714
8719
88374BVALVE, SERVICE, NO.1
88375ACAP, SERVICE VALVE (FOR COOLER PIPE)
88375BCAP, SERVICE VALVE, NO.1
88460CONDENSER ASSY, COOLER
88467CUSHION, COOLER CONDENSER, NO.1
88474DRYER, COOLER
88645HSWITCH, PRESSURE NO.1
88711HOSE, COOLER REFRIGERANT DISCHARGE, NO.1
88712HOSE, COOLER REFRIGERANT SUCTION, NO.1
88716APIPE, COOLER REFRIGERANT LIQUID, A
88717APIPE, COOLER REFRIGERANT SUCTION, A
8846714070CUSHION, COOLER CONDENSER, NO.1
main88467-14070
8846928010SWITCH, PRESSURE CONTROL
main88469-28010
8856951010CLAMP (FOR COOLER RELAY)
main88569-51010
8856951020CLAMP (FOR COOLER RELAY)
main88569-51020
8856951030CLAMP (FOR COOLER RELAY)
main88569-51030
8856951040CLAMP (FOR COOLER RELAY)
main88569-51040
8871850330PIPE, COOLER REFRIGERANT SUCTION, NO.2
main88718-50330
9009120609
main90091-20609
9009900264
main90099-00264
9009914119
main90099-14119
9009914120
main90099-14120
9009914121
main90099-14121
9009914122
main90099-14122
9009932140
main90099-32140
9009932146
main90099-32146
9011906459
main90119-06459
9011906773
main90119-06773
9017906143
main90179-06143
91635B0616
main91635-B0616
91635B0625
main91635-B0625
91635B0632
main91635-B0632
34 parts on this diagram · 1 diagram in section