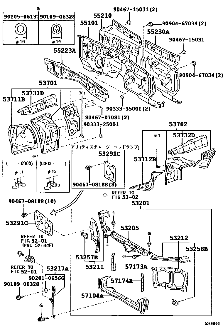
FRONT FENDER APRON & DASH PANEL

5201
5302
53211SUPPORT, RADIATOR, RH
53212SUPPORT, RADIATOR, LH
53257BBRACKET, RADIATOR SUPPORT TO FRONT FENDER
53258BBRACKET, RADIATOR SUPPORT TO FRONT FENDER, LH
53711BAPRON, FRONT FENDER, FRONT RH
53712BAPRON, FRONT FENDER, FRONT LH
53731DMEMBER, FRONT APRON TO COWL SIDE, UPPER RH
53732DMEMBER, FRONT APRON TO COWL SIDE, UPPER LH
55101PANEL SUB-ASSY, DASH
55230AINSULATOR ASSY, DASH PANEL, NO.4
57173AREINFORCEMENT, FRONT CROSSMEMBER, NO.3 RH
57174AREINFORCEMENT, FRONT CROSSMEMBER, NO.3 LH
9010506137
main90105-06137
9010906328
main90109-06328
9020106566
main90201-06566
9033325001
main90333-25001
9033335001
main90333-35001
9046707081
main90467-07081
9046708188
main90467-08188
9046715031
main90467-15031
9090467034
main90904-67034
32 parts on this diagram · 1 diagram in section