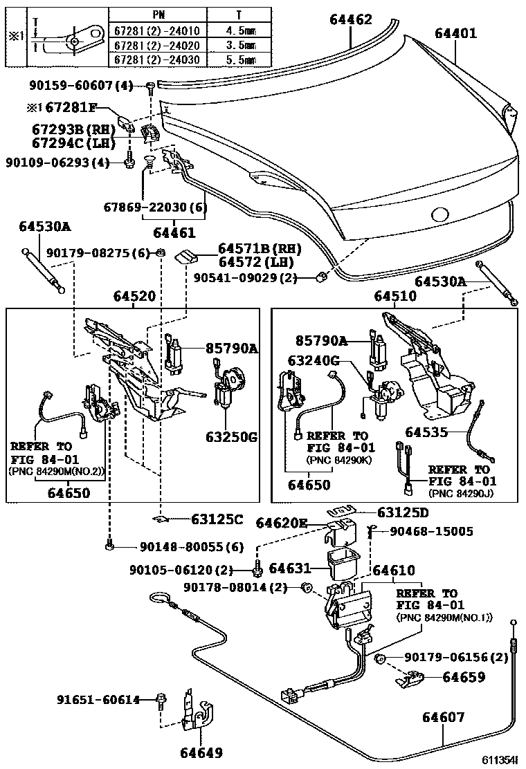
LUGGAGE COMPARTMENT DOOR & LOCK

63240GGEAR ASSY, LUGGAGE DOOR DRIVE, RH
63250GGEAR ASSY, LUGGAGE DOOR DRIVE, LH
64461WEATHERSTRIP, LUGGAGE COMPARTMENT DOOR
64462WEATHERSTRIP, LUGGAGE COMPARTMENT DOOR
64510HINGE ASSY, LUGGAGE COMPARTMENT DOOR, RH
64520HINGE ASSY, LUGGAGE COMPARTMENT DOOR, LH
64530ASUPPORT ASSY, LUGGAGE COMPARTMENT DOOR
sub64530-24051
sub64530-24052
sub64530-24071
sub64530-24072
64535CABLE, LUGGAGE COMPARTMENT DOOR HINGE
64571BCOVER, LUGGAGE COMPARTMENT DOOR HINGE, RH
64572COVER, LUGGAGE COMPARTMENT DOOR HINGE, LH
64607CABLE SUB-ASSY, LUGGAGE DOOR LOCK CONTROL
64620ESTRIKER ASSY, LUGGAGE COMPARTMENT DOOR
64649RETAINER, LUGGAGE DOOR LOCK CONTROL BASE
64659BRACKET, LUGGAGE CONTROL CABLE, LH
67281FSTOPPER, BACK DOOR, LOWER
67293BCUSHION, BACK DOOR STOPPER, RH
67294CCUSHION, BACK DOOR STOPPER, LH
8401
85790AMOTOR ASSY, LUGGAGE CLOSER
6786922030PLATE, WEATHERSTRIP, CENTER DOOR, UPPER
main67869-22030
9010506120
main90105-06120
9010906293
main90109-06293
9014880055
main90148-80055
9015960607
main90159-60607
9017808014
main90178-08014
9017906156
main90179-06156
9017908275
main90179-08275
9046815005
main90468-15005
9054109029
main90541-09029
9165160614
main91651-60614
36 parts on this diagram · 1 diagram in section